Hi,
I have a circuit that I'm trying to implement that is quite old and uses RS232 to communicate bi-directionally over a single pin to an MCU.
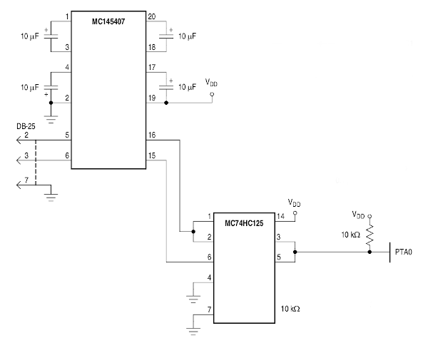
Here's the circuit:

I'd rather not use RS232 and just want to communicate using a rasperry Pi or similar with PTA0, but it both receives and transmits over a single pin. Can someone suggest how I might do this natively on a pi, either by driving a GPIO bi-directionally and doing this in software, or using the native UART and somehow tieing rx and tx together, perhaps with some other chip?