Author Topic: Limit the output voltage of current sense opamp  (Read 1612 times)

0 Members and 1 Guest are viewing this topic.

Offline npelovTopic starter

  • Frequent Contributor
  • **
  • Posts: 331
  • Country: bg
    • Microlab.info
Limit the output voltage of current sense opamp
« on: July 22, 2018, 11:24:26 am »
I want to use negative power supply to ensure the output can go down to zero on a low side current sense opamp. The prolem is if current flows in the oppozitte direction. then we have negative voltage on the output going to the ADC. The ADC is a part of a PIC MCU and it has diode to ground, so I can put current limiting resistor (1k - pic will work with up to 10k voltage source resistance) and it should be fine. But is there any other way to make sure the output voltage doesn't go much below 0V.

P.S. Current can flow in the opposite direction in few ways - if R1 is a battery being charged, if R1 has a big capacitor and the V1 goes down by few volts.
« Last Edit: July 22, 2018, 12:11:11 pm by npelov »
 

Offline exe

  • Supporter
  • ****
  • Posts: 2647
  • Country: nl
  • self-educated hobbyist
Re: Limit the output voltage of current sense opamp
« Reply #1 on: July 22, 2018, 01:12:04 pm »
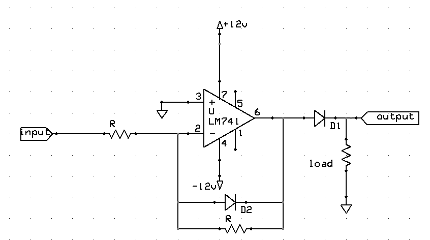
Try to put small signal diode immediately at opamps output. It will be inside the loop, so diode drop will be compensated. Like on this circuit: http://2.bp.blogspot.com/-a3OkjYEP9lw/U6g0VjyhlnI/AAAAAAAAAPs/aRSS7eaiYmQ/s1600/modified+halfwave+rectifier+print.PNG (not sure if the link works)
 

Offline piguy101

  • Regular Contributor
  • *
  • Posts: 51
  • Country: us
Re: Limit the output voltage of current sense opamp
« Reply #2 on: July 23, 2018, 01:30:10 am »
The circuit you may be looking for is known as a "precision rectifier." This allows the circuit to behave as an ideal diode (no voltage drop).

https://en.wikipedia.org/wiki/Precision_rectifier

But as OP mentioned, is it always a good idea to use a series current limiting resistor before the ADC input whenever you expect the input voltage to go below 0V or above the ADC supply voltage. This limits the current on the ESD diodes to a safe level.
 

Offline MasterT

  • Frequent Contributor
  • **
  • !
  • Posts: 851
  • Country: ca
Re: Limit the output voltage of current sense opamp
« Reply #3 on: July 23, 2018, 02:33:23 am »
Resistor is the best, simplest and effective solution to keep an adc safe. Any triks trying to cut-off  negative half-wave at the OPA side could not guarantee presence of negative voltage in case of circuits failure.
 

Offline xavier60

  • Super Contributor
  • ***
  • Posts: 3034
  • Country: au
Re: Limit the output voltage of current sense opamp
« Reply #4 on: July 23, 2018, 04:58:34 am »
In my experience, allowing a PIC's  input protection diode to be forward biased causes offsets in other ADC channels.
HP 54645A dso, Fluke 87V dmm,  Agilent U8002A psu,  FY6600 function gen,  Brymen BM857S, HAKKO FM-204, New! HAKKO FX-971.
 

Offline exe

  • Supporter
  • ****
  • Posts: 2647
  • Country: nl
  • self-educated hobbyist
Re: Limit the output voltage of current sense opamp
« Reply #5 on: July 23, 2018, 08:35:36 am »
In my experience, allowing a PIC's  input protection diode to be forward biased causes offsets in other ADC channels.

Well can be, one forum member with the name I cannot spell (but seems to be read as "teslacoil") wrote recently the same. From what I remember, these esd diodes are actually bjts (with collector tight to Vcc) and any bias causes more current drained from supply pins. So, offset issues are more than likely.
 

Offline mikerj

  • Super Contributor
  • ***
  • Posts: 3382
  • Country: gb
Re: Limit the output voltage of current sense opamp
« Reply #6 on: July 23, 2018, 01:30:04 pm »
Can you reduce the negative rail voltage to limit the negative swing to a safe value?
 

Offline exe

  • Supporter
  • ****
  • Posts: 2647
  • Country: nl
  • self-educated hobbyist
 

Offline npelovTopic starter

  • Frequent Contributor
  • **
  • Posts: 331
  • Country: bg
    • Microlab.info
Re: Limit the output voltage of current sense opamp
« Reply #8 on: July 25, 2018, 09:36:21 pm »
I was looking at precision rectifier circuits and most of them are inverters. The non-inverting circuits have gain = 1. Is there any reason non-inverting precision rectifier can't have gain > 1?
 

Offline npelovTopic starter

  • Frequent Contributor
  • **
  • Posts: 331
  • Country: bg
    • Microlab.info
Re: Limit the output voltage of current sense opamp
« Reply #9 on: July 25, 2018, 09:40:30 pm »
I guess resistor is the best choice. I only need clamping for protection, so nothing (else) will blow up when bad voltage comes out of the opamp. If negative voltage comes from the opamp then the circuit is not properly connected and the thole system won't work correctly, so ADC error is not a big deal if it recovers when everything gets back to normal.
 


Share me

Digg  Facebook  SlashDot  Delicious  Technorati  Twitter  Google  Yahoo
Smf