I'm busy trying to build a arduino based Hakko T12 soldering iron.
I have been using the design from:
https://www.hackster.io/sfrwmaker/soldering-iron-controller-for-hakko-t12-tips-on-arduino-f7a888Wired everything up and there is some issue with the heating circuit....it's not working.
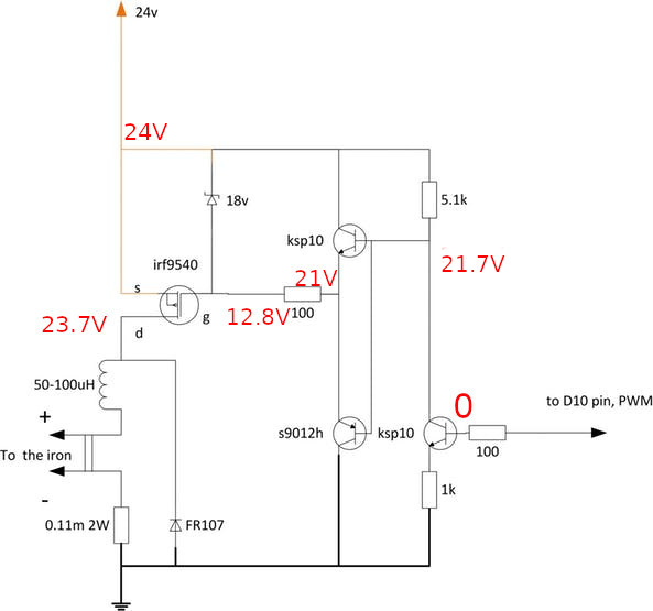
I've measured the voltages as shown below:

The problem I am getting is the 100R resistor in the middle of the pic is getting very hot. Voltage across it is 8.2V, so 0.6W. The circuit design uses a 1/4W resistor so I'm guessing its not supposed to get that hot and I have messed up something. Emitter voltage of 21V is incorrect, or gate voltage of 12.8 is wrong...or both.
Double checked everything and still not getting anywhere. Looking at the circuit is it possible to work out that the voltages should be.
I've tied the input low for testing, from the PWM (Not connected to the arduino)
I'm using a IRF540, with general purpose transistors. BC547 for NPN, and BC327 PNP.
Also the iron is not connected.
The purpose of the pnp/npn connected to each other also has me confused.