Author Topic: band pass filter for an audio application  (Read 2331 times)

0 Members and 1 Guest are viewing this topic.

Offline Coordonnée_chromatiqueTopic starter

  • Regular Contributor
  • *
  • Posts: 208
  • Country: fr
band pass filter for an audio application
« on: March 16, 2022, 08:13:27 pm »
Hello,
I'm trying to design a band pass filter for an audio application and i'm curious to have you advices on audibility of an eventual quality degradation that i haven't thinked about because i'm not a secialist at all.




 

Offline TimFox

  • Super Contributor
  • ***
  • Posts: 9002
  • Country: us
  • Retired, now restoring antique test equipment
Re: band pass filter for an audio application
« Reply #1 on: March 16, 2022, 08:23:18 pm »
For large capacitors, e.g. 1 uF, the type of capacitor may be important.  Polypropylene film is the usual "good choice", with very high Q and therefore low ESR, but X7R and Z5U ceramics will have substantial loss and nonlinearity.
 

Offline jonpaul

  • Super Contributor
  • ***
  • Posts: 3656
  • Country: fr
  • Analog, magnetics, Power, HV, Audio, Cinema
    • IEEE Spectrum
Re: band pass filter for an audio application
« Reply #2 on: March 16, 2022, 08:25:35 pm »
Bonjour cher Monsieur bon pour vu un français à la forum eevblog

SVP me préciser votre application et requirements

The two pole bessel is perhaps a bad choices

eg ADC, DAC antialiasing,

Cordialement


Jon
An Internet Dinosaur...
 

Offline Benta

  • Super Contributor
  • ***
  • Posts: 6420
  • Country: de
Re: band pass filter for an audio application
« Reply #3 on: March 16, 2022, 08:41:55 pm »
Ain't no such thing as a "Bessel" band-peak filter (band-pass is something else in my book, particularly for audio).
The only thing that matters here is fc and Q.
You apparently need a low Q filter. Sallen-Key is OK for that. For higher Q, I recommend using a MFB filter instead.

 

Offline dmills

  • Super Contributor
  • ***
  • Posts: 2093
  • Country: gb
Re: band pass filter for an audio application
« Reply #4 on: March 16, 2022, 08:44:04 pm »
Not I suspect going to work!

The TLV2405 has all of 5kHz GBP, and a few mA of output drive, and you have an 80 ohm resistor in the filter feedback path (With 1uF to ground??!)?

Sallen and Key topologies are notoriously 'interesting' once the opamp runs out of GBP so I would at least be opening the plot out to see what happens in the top couple of octaves (The lowpass version of things have a bad habit of coming back once the opamp is out of puff).

 

Offline Benta

  • Super Contributor
  • ***
  • Posts: 6420
  • Country: de
Re: band pass filter for an audio application
« Reply #5 on: March 16, 2022, 08:48:39 pm »
Not I suspect going to work!

The TLV2405 has all of 5kHz GBP, and a few mA of output drive, and you have an 80 ohm resistor in the filter feedback path (With 1uF to ground??!)?

Sallen and Key topologies are notoriously 'interesting' once the opamp runs out of GBP so I would at least be opening the plot out to see what happens in the top couple of octaves (The lowpass version of things have a bad habit of coming back once the opamp is out of puff).

Ow, ow, ow!
Probably the worst opamp in the world for this application. Didn't check that.
 

Offline Coordonnée_chromatiqueTopic starter

  • Regular Contributor
  • *
  • Posts: 208
  • Country: fr
Re: band pass filter for an audio application
« Reply #6 on: March 16, 2022, 09:07:02 pm »
I'm trying to perform a peaking filter circuit like the digital ones used in equalizer APO.
 

Offline TimFox

  • Super Contributor
  • ***
  • Posts: 9002
  • Country: us
  • Retired, now restoring antique test equipment
Re: band pass filter for an audio application
« Reply #7 on: March 16, 2022, 09:11:31 pm »
Not I suspect going to work!

The TLV2405 has all of 5kHz GBP, and a few mA of output drive, and you have an 80 ohm resistor in the filter feedback path (With 1uF to ground??!)?

Sallen and Key topologies are notoriously 'interesting' once the opamp runs out of GBP so I would at least be opening the plot out to see what happens in the top couple of octaves (The lowpass version of things have a bad habit of coming back once the opamp is out of puff).

Ow, ow, ow!
Probably the worst opamp in the world for this application. Didn't check that.

I agree that that opamp is too slow, but the 80 ohms to 1 uF, at his very low center frequency (3.1 Hz) will present a load impedance of about 50 kohms (reactive) to ground, which should be driveable at a few volts.  I would scale the resistor values up and the capacitor values down for this application, after doing the initial calculation.
« Last Edit: March 16, 2022, 09:13:39 pm by TimFox »
 

Offline Coordonnée_chromatiqueTopic starter

  • Regular Contributor
  • *
  • Posts: 208
  • Country: fr
Re: band pass filter for an audio application
« Reply #8 on: March 16, 2022, 10:45:34 pm »
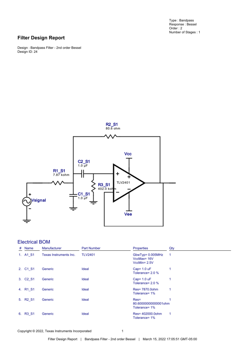
TLV2401 :
Slew rate (Typ) (V/us) 0.0025
GBW (Typ) (MHz) 0.0055

TL071 :
Slew rate (Typ) (V/us) 13
GBW (Typ) (MHz) 3

So, the TI simulation have choosen the TLV2401 because of its ability to operate with the half gigaohm resistors imposed by the calculations ?
 

Offline Benta

  • Super Contributor
  • ***
  • Posts: 6420
  • Country: de
Re: band pass filter for an audio application
« Reply #9 on: March 16, 2022, 11:02:39 pm »
So, the TI simulation have choosen the TLV2401 because of its ability to operate with the half gigaohm resistors imposed by the calculations ?

How on earth would we know what the TI simulator is doing? A little engineering sense on your side is perhaps also needed?
Accepting simulator results on their face value is why catastrophes happen. And why good engineers are needed more than ever.
 

Offline dmills

  • Super Contributor
  • ***
  • Posts: 2093
  • Country: gb
Re: band pass filter for an audio application
« Reply #10 on: March 16, 2022, 11:30:04 pm »
When a simulator says 'No', it is probably correct, when it says 'Yes' that should be read as 'Maybe'...
Sims are only ever as good as the models and a LOT of the models leave something to be desired.

Any time you have an active filter with half gig ohm resistors AND sub 100 ohm resistors I would be looking very, very askance at it, and probably doing it in two stages in pursuit of a more reasonable design. It COULD be a reasonable design, but it is a design smell. 
 

Offline Benta

  • Super Contributor
  • ***
  • Posts: 6420
  • Country: de
Re: band pass filter for an audio application
« Reply #11 on: March 16, 2022, 11:40:20 pm »
@dmills:
You speak to my heart :)
 

Offline Coordonnée_chromatiqueTopic starter

  • Regular Contributor
  • *
  • Posts: 208
  • Country: fr
Re: band pass filter for an audio application
« Reply #12 on: March 17, 2022, 09:14:49 am »
Simulators are made by engineers for those that need an approach without any expertise about a new subject that they've never faced of and...  :blah:

My electronic circuit doesn't really require the genus level IMHO, but it is high enough to turn a mechanical diplomed guy lazy, i'm curious about what should be happened if i chain mainy stages at the same frequency.
Through the component values derivations the center frequency should not be exactly the same and i'm perhaps stupid but i'm immagine that should face some audible IMD issues.

 
« Last Edit: March 17, 2022, 09:17:00 am by Coordonnée_chromatique »
 

Online 2N3055

  • Super Contributor
  • ***
  • Posts: 7465
  • Country: hr
Re: band pass filter for an audio application
« Reply #13 on: March 17, 2022, 09:49:12 am »
Why is a "half a gigaohm" value being discussed? Largest resistor in that schematic is 400 kOhm.
And venerable TL071 (the JFET version) would work well in this circuit.

My recommendation to OP is that it is time to make a prototype.
Get few different capacitor types. Try them.

You can measure it with sound card and software...
Be creative. Try not to blow up something.
Have fun experimenting.
"Just hard work is not enough - it must be applied sensibly."
Dr. Richard W. Hamming
 

Offline Coordonnée_chromatiqueTopic starter

  • Regular Contributor
  • *
  • Posts: 208
  • Country: fr
Re: band pass filter for an audio application
« Reply #14 on: March 17, 2022, 10:03:11 am »
Why is a "half a gigaohm" value being discussed? Largest resistor in that schematic is 400 kOhm.
And venerable TL071 (the JFET version) would work well in this circuit.

My recommendation to OP is that it is time to make a prototype.
Get few different capacitor types. Try them.

You can measure it with sound card and software...
Be creative. Try not to blow up something.
Have fun experimenting.

Thanks for you encouagements (was needed  ^-^)
I've experenced some phase revesal, oscillations and hard clipping with the NE5532 and find it too touchy for my skills even if i've succeed to use it sometimes.
All my circuits are stable with the TL071, but larges resistors are prone to be noisy, aren't they ?
 

Online 2N3055

  • Super Contributor
  • ***
  • Posts: 7465
  • Country: hr
Re: band pass filter for an audio application
« Reply #15 on: March 17, 2022, 10:25:49 am »
Why is a "half a gigaohm" value being discussed? Largest resistor in that schematic is 400 kOhm.
And venerable TL071 (the JFET version) would work well in this circuit.

My recommendation to OP is that it is time to make a prototype.
Get few different capacitor types. Try them.

You can measure it with sound card and software...
Be creative. Try not to blow up something.
Have fun experimenting.

Thanks for you encouagements (was needed  ^-^)
I've experenced some phase revesal, oscillations and hard clipping with the NE5532 and find it too touchy for my skills even if i've succeed to use it sometimes.
All my circuits are stable with the TL071, but larges resistors are prone to be noisy, aren't they ?

It is physics that larger resistors have larger noise. But engineering is not about perfection but about art and science of compromise. Depending on signals and where in signal chain you are noise might be low enough not to be a problem.

Serously, that is 2-3€ worth of components. Just cobble it together and try it. Measure with sound card and some of excellent audio measurement applications. You need to learn all of it..It's all useful.
You will make mistakes. Learn from them too..
"Just hard work is not enough - it must be applied sensibly."
Dr. Richard W. Hamming
 

Offline Coordonnée_chromatiqueTopic starter

  • Regular Contributor
  • *
  • Posts: 208
  • Country: fr
Re: band pass filter for an audio application
« Reply #16 on: March 24, 2022, 06:52:39 am »
Sallen and Key topologies are notoriously 'interesting' once the opamp runs out of GBP so I would at least be opening the plot out to see what happens in the top couple of octaves (The lowpass version of things have a bad habit of coming back once the opamp is out of puff).

I was thinking to have undertstand (very fast) what you've said (without inverstigations) but now i'm sure that i was wrong after few nights (still no investigations).
Are you talking about wavelets ?
 

Offline jonpaul

  • Super Contributor
  • ***
  • Posts: 3656
  • Country: fr
  • Analog, magnetics, Power, HV, Audio, Cinema
    • IEEE Spectrum
Re: band pass filter for an audio application
« Reply #17 on: March 24, 2022, 12:17:35 pm »
Cher Monsieur bonjour je attends avec impatience pour votre réponse précise le application et spécifique le filtres

Dynamique range, noise floors, Q THD, frequency etc

Cordialement


Jon
An Internet Dinosaur...
 

Offline tooki

  • Super Contributor
  • ***
  • Posts: 13157
  • Country: ch
Re: band pass filter for an audio application
« Reply #18 on: March 24, 2022, 12:27:38 pm »
Simulators are made by engineers for those that need an approach without any expertise about a new subject that they've never faced of and...  :blah:
LOL that couldn’t be more untrue.
 

Offline jonpaul

  • Super Contributor
  • ***
  • Posts: 3656
  • Country: fr
  • Analog, magnetics, Power, HV, Audio, Cinema
    • IEEE Spectrum
Re: band pass filter for an audio application
« Reply #19 on: March 24, 2022, 01:20:49 pm »
Rebonjour, Simulators like any tool have their uses, misuse and limitations. My only experience was with the great Magnetic Designer of IntuSoft for transformers and inductors.



I found its easier to built a simple protp than to simulate, and that many simulators are giving a misleading result...GIGO, garbage in Garbage out.

Any serious simulation can point the way to a solution but building and testing hardware is still required.

Jon
An Internet Dinosaur...
 

Offline Coordonnée_chromatiqueTopic starter

  • Regular Contributor
  • *
  • Posts: 208
  • Country: fr
Re: band pass filter for an audio application
« Reply #20 on: March 24, 2022, 01:48:44 pm »
Hello,

"LOL that couldn’t be more untrue" : everything can be true depending of your POV, i've work with engineers that don't know ANYTHING about elecrtonics, but i've understood that my starting point was a banana peel and you see it from your POV.

"Dynamique range, noise floors, Q THD, frequency etc"

Dynamique range : aroud 30-40Db for the recordings plus 30Db for for the band pass
Noise floors : under -90Db at the output, the source is over -100Db.
Q : i was looking for 0.2 but i can't obtain more than 2.5 with the simulations
THD : lowest possible.
Frequencies : have to be defined by measurements, but everything is under 50Hz



 

Offline tooki

  • Super Contributor
  • ***
  • Posts: 13157
  • Country: ch
Re: band pass filter for an audio application
« Reply #21 on: March 24, 2022, 02:22:00 pm »
"LOL that couldn’t be more untrue" : everything can be true depending of your POV,
LOL even more. No, not everything is a matter of POV. There is such a thing as objective reality.

Anyhow, nearly all electrical simulation software is designed for professional use. Consequently, most simulation software has a fairly steep learning curve, and expects a substantial amount of expertise from the user.

In my experience, beginners rarely gravitate towards simulators, because they are eager to get their hands dirty with hardware. (Yes, some beginner-oriented simulators exist. Never said they don’t. But beginners are certainly not what most simulators are targeting.)

i've work with engineers that don't know ANYTHING about elecrtonics, but i've understood that my starting point was a banana peel and you see it from your POV.
…aaaaand…???
 

Offline Coordonnée_chromatiqueTopic starter

  • Regular Contributor
  • *
  • Posts: 208
  • Country: fr
Re: band pass filter for an audio application
« Reply #22 on: March 24, 2022, 02:57:34 pm »
"LOL that couldn’t be more untrue" : everything can be true depending of your POV,
LOL even more. No, not everything is a matter of POV. There is such a thing as objective reality.

Anyhow, nearly all electrical simulation software is designed for professional use. Consequently, most simulation software has a fairly steep learning curve, and expects a substantial amount of expertise from the user.

In my experience, beginners rarely gravitate towards simulators, because they are eager to get their hands dirty with hardware. (Yes, some beginner-oriented simulators exist. Never said they don’t. But beginners are certainly not what most simulators are targeting.)

i've work with engineers that don't know ANYTHING about elecrtonics, but i've understood that my starting point was a banana peel and you see it from your POV.
…aaaaand…???

Every perception is a creation and every souvenir is a conception, the data that is entering my brain is immediately altered by the processes, this is why a lot of people are feelling unuderstood for nothing so i will not argue anymore on the injonction to discuss about the ...aaaand... feeling  ^-^

There is some people between the beginners and the experts that can't really estimate exactly their real level of knowledge especially if it is an heterogenous one. I've decided to start from this circuit : https://sound-au.com/project84.htm


« Last Edit: March 24, 2022, 08:22:41 pm by Coordonnée_chromatique »
 

Offline Benta

  • Super Contributor
  • ***
  • Posts: 6420
  • Country: de
Re: band pass filter for an audio application
« Reply #23 on: March 24, 2022, 10:31:31 pm »
Oh dear...
You do realize that this is an eletronics engineering site?
The esoteric stuff belongs somewhere else.

 
The following users thanked this post: tooki

Offline Brumby

  • Supporter
  • ****
  • Posts: 12413
  • Country: au
Re: band pass filter for an audio application
« Reply #24 on: March 25, 2022, 01:36:05 am »
"LOL that couldn’t be more untrue" : everything can be true depending of your POV,
* Cringe *

LOL even more. No, not everything is a matter of POV. There is such a thing as objective reality.
:-+
Engineers may get philosophical from time to time, but Engineering never does.  Objective reality can kill - irrespective of POV.
 
The following users thanked this post: tooki


Share me

Digg  Facebook  SlashDot  Delicious  Technorati  Twitter  Google  Yahoo
Smf