Hello Everyone!
You may have seen my other topic(s) about building a bench supply. I have decided to build a dual supply based on the schematic below.

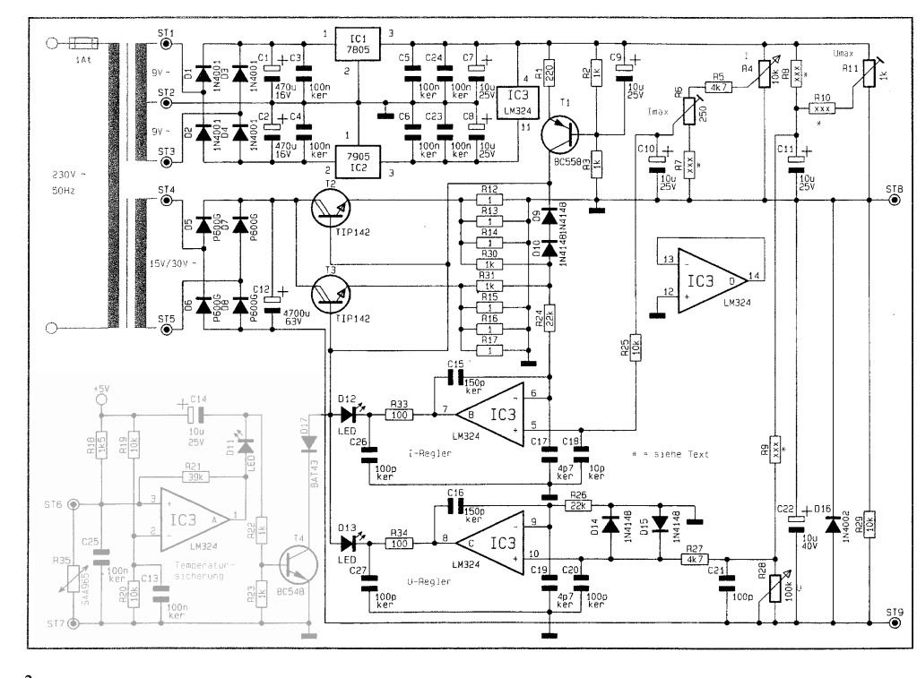
Here is the full pdf...
http://www.elv-downloads.de/Assets/Produkte/2/225/22532/Downloads/22532_Universelle_Netzteilplatine_um.pdfI have a couple of questions regarding this design. According to the description(translated), by selecting some resistor values, I can either build a 0-15V 4A supply, or a 0-30V 2A supply. Why is the 30V version limited to 2A? If it is not possible to build a 0-30V 4A design, which version would be more useful? I am beginning to learn electronics, but know that I will want to deal with motors, robotics, audio circuits, etc...
To build a dual supply, will I also have to have two transformers? I will want to be able to connect them in series, and in parallel, so I know they have to be isolated from each other. What kind of transformer do I need? When searching for transformer on digikey, I do not know what I need enough to filter the results.
On the bottom left, there is some form of temperature measurement using a 'SAA965' which is actually a KTY81-151. - Datasheet:
http://www.datasheetcatalog.org/datasheet/philips/KTY81-151.pdfWhat do I use this to measure the temperature of? The heat sink of the transistor? How do I attach it to what ever I am measuring? Also in the area of the temperature measurement, there is a 5V supply. Where is the 5V supply coming from, the 7805 at the top? And what are the the two lines coming out to the left, labeled 'ST6' & 'ST7' going to?
I will want to have panel meters displaying voltage and current output. I think I want to incorporate possibly a uC into the project, for some 'fanciness' I have in mind, once I have the foundation, so maybe just a LCD is all I need. For the Panel meter, and micro ideas, can I use the 5V supply, that is also the 5V supply for the LM324, or will I need another small transformer, to power these items?
Some people suggested in another thread, that I use a ten turn pot on my supply. I also agree that that is a good idea. In the LM317 datasheet, there is an example(below) about digitally selected outputs. Would this also work on this supply? I think I want a button for 5 and 3.3 volts, and the micro will select the correct resistance. What are the downsides of this?

In Dave's recent video about the HP Supply, he mentioned that it had no 'load switch.' Is that just a normal toggle switch(that can handle the current), to just quickly disconnect the output? Would a beefy switch, or a small switch with a relay be better?
What are the funny looking pots in the top right of the schematic? Why do they have a flat end, instead of an arrow-does this represent something significant?
One last question: What are the transistors with two lines coming out of them? What do the two lines represent?
My goal is to have a nice dual supply, that I can use for years as I continue to learn about electronics. I will greatly appreciate any advice, answers to questions, or just ideas I haven't thought about. Also, some of the above information is not 'set in stone'. I.E. if it is better to use a different design for the supply, than I am willing to use that one instead.
Thanks in advance,
Joshua