Author Topic: Analog ESR/Z meter- finished  (Read 3331 times)

0 Members and 1 Guest are viewing this topic.

Offline RiverTownTopic starter

  • Regular Contributor
  • *
  • Posts: 69
  • Country: hr
Analog ESR/Z meter- finished
« on: March 07, 2016, 09:53:01 pm »
Project was finished long ago, but I was quite busy with college. This semester is lot easier so I will present project now.
Additional informations about project can be found here:
https://www.eevblog.com/forum/beginners/yet-another-esr-meter-project/msg468077/#msg468077
https://www.eevblog.com/forum/eda/pcb-layout-comments-and-suggestions/msg502195/#msg502195
Most of informations can be found in linked topics so I will try to be short.

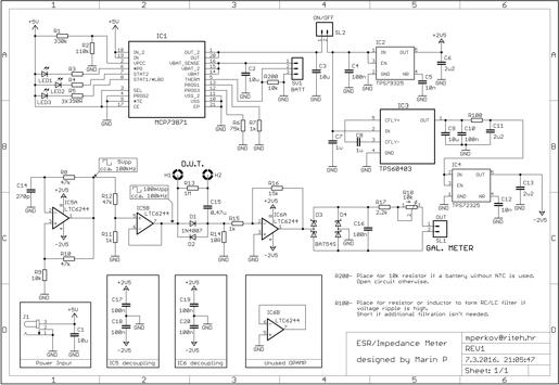
Schematic:

VPCC resistors are calculated for 5V threshold, because my power adapter can maintain 5V at full load. Some adjustments may be necessary depending of external power source.
Charge current: 1A
Charge termination current around 13mA

Some of used components:
BATT: http://www.ebay.com/itm/2200mAh-NTA2335-Battery-for-Logitech-mm50-Portable-Speaker-System-for-iPod-/251170359973?hash=item3a7aeb8aa5   (different connector is used in final design)
MCP73871: http://export.farnell.com/microchip/mcp73871-2cci-ml/ic-battery-management-cont-qfn20/dp/1642489
TPS79325: http://export.farnell.com/texas-instruments/tps79325dbvr/ic-v-reg-ldo-2-5v-smd-sot-23-5/dp/1460963
TPS60403: http://export.farnell.com/texas-instruments/tps60403dbvt/charge-pump-inverter-smd-60403/dp/8457786
TPS72325: http://export.farnell.com/texas-instruments/tps72325dbvt/regulator-ldo-fixed-2-5v-sot-23/dp/2323571
LTC6244: http://export.farnell.com/linear-technology/ltc6244hms8-pbf/cmos-op-amp-dual-50mhz-ln-8msop/dp/1715052
BAT54S: http://export.farnell.com/fairchild-semiconductor/bat54s/diode-schottky-0-2a-30v-sot-23/dp/1467519
R18 (TRIM): http://export.farnell.com/alps/rk09k1130c79/potentiometer-10kb/dp/1191741
R13 (0,5W, HV): http://export.farnell.com/welwyn/mh37-1mji/resistor-h-v-0-5w-1m/dp/1100301
C15 (X2): http://export.farnell.com/vishay/f1778447m3ict0/cap-film-pp-470nf-800v-rad/dp/1413848
C1- 3, C12 (1206, 10uF/16V): http://export.farnell.com/multicomp/mc1206f106z160ct/cap-mlcc5v-10uf-1206/dp/1759445RL
C6, C11, C13 (1206, 2uF2/16V): http://export.farnell.com/multicomp/mc1206f225z250ct/cap-mlcc-y5v-2-2uf-25v-1206/dp/1759451?selectedCategoryId=&exaMfpn=true&categoryId=&searchRef=SearchLookAhead
C7, C8 (0805, 1uF/16V): http://export.farnell.com/multicomp/mc0805b105k160ct/cap-mlcc-x7r-1uf-16v-0805/dp/2320853

Other components:
Capacitors: 0805, 50V
Resistors 0805, 1% (except R1- R7 they are 0603 1%)

Measurements:
Supply ripple 5mV/DIV, 5us/DIV
Positive


Negative


Oscillator output 1V/DIV, 5us/DIV


Divider output and buffer output (20mV/DIV, 5us/DIV)



Shunt voltage 50mV/DIV, 5us/DIV


Amplifier output 1V/DIV, 5us/DIV


Some random pictures:
http://www.mediafire.com/view/df080hxn0rqtt4w/PlanOn.png
http://www.mediafire.com/view/nbepe6ahe35yaaf/Top.png
http://www.mediafire.com/view/cgbw3oqul7tanx3/Bott.png
http://www.mediafire.com/view/o3vntqm3d6txm22/IMG_1259.JPG
http://www.mediafire.com/view/6u2xbb69b3letrt/IMG_1261.JPG
http://www.mediafire.com/view/0ztrjt47gck9iva/ESR1.JPG
http://www.mediafire.com/view/wddk01lge0mabi4/ESR2.JPG
http://www.mediafire.com/view/dmt74mtwtaatmwb/ESR3.JPG
http://www.mediafire.com/view/oh1ewrj0tpirz39/ESR4.JPG
http://www.mediafire.com/view/qteqnf6bnr7ittz/ESR5.JPG
http://www.mediafire.com/view/qpaevlba60yivbi/IMG_1304.JPG

Front panel is done in CorelDraw and laser engraved (wasn't cheap), scale is combination od AutoCAD and CorelDraw..

Gerber files:
http://www.mediafire.com/download/z11xj4ajwmx165e/REV1Gerber.zip

Eagle files are available via PM...

« Last Edit: March 08, 2016, 03:53:28 pm by RiverTown »
 

Offline dannyf

  • Super Contributor
  • ***
  • Posts: 8221
  • Country: 00
Re: Analog ESR/Z meter- finished
« Reply #1 on: March 07, 2016, 11:23:09 pm »
Some quick suggestions, based on a project I did that looks quite similar to yours but worked quite differently.

Your output is subject to the diodes non linearity, which can be an issue when high ear shows up. You can solve that but putting the diodes in the feedback loop.

The whole design can be made single rail, siify the design.

You may pick an ohm meter with the right center resistance marking - your meter has reciprocal reading, like most ohm meters.

The oscillator can be made to much like a sin oscillator by adding a capacitor.

For insensitive meters ( over 1ma full scale), a buffer, like emitter follower can be used.

Like yous, my meter is also designed around  a dual opamp: one opamp functions like an oscillator, almost identical to yours.

My second stage is a non-inverting amp, with the dut from the inverting end to ground, and the diodes plus the meter in the feedback loop.

It has excellent range and calibrates very nicely to theoretical levels, as any non linearity is handled by the opamp.

Very compact. As a matter of fact, I build one for a friend Manhattan style on a ne5532.
================================
https://dannyelectronics.wordpress.com/
 

Offline dannyf

  • Super Contributor
  • ***
  • Posts: 8221
  • Country: 00
Re: Analog ESR/Z meter- finished
« Reply #2 on: March 07, 2016, 11:50:41 pm »
I went back to your old thread and read about your initial approach with a transformer.

A good source for HF transformer is CFL light bulbs. All you need is a 10 or 20 to 1 turn ratio. Compact and easy to diy.

But I generally agree that the use of transformers as an impedance converter is a flawed approach. In my set up, with the dut not on the signal path, the opamp essentially plays as an impedance converter.
================================
https://dannyelectronics.wordpress.com/
 

Offline RiverTownTopic starter

  • Regular Contributor
  • *
  • Posts: 69
  • Country: hr
Re: Analog ESR/Z meter- finished
« Reply #3 on: March 08, 2016, 10:55:19 am »
Some quick suggestions, based on a project
Your output is subject to the diodes non linearity, which can be an issue when high ear shows up. You can solve that but putting the diodes in the feedback loop.
The whole design can be made single rail, siify the design.
Yes, I'm aware that diode nonlinearity has negative influence on measuring high esr. But it helps with measuring low esr values, as is seen from LTspice plot in other topic, and that is more important for me.
Battery voltage was too low for the circuit so I had a choice to use single supply rail and boost converter + one regulator, of voltage inverter and two regulators. At the end I decided to go with option no.2.

Thanks for the tip about adding capacitor to get sine alike signal, that is good advice.

Yes, dropping transformer approach idea was good thing. But thanks for the tips regarding supply of switching transformers, and windings. This can be helpful on some other project.
 

Offline dannyf

  • Super Contributor
  • ***
  • Posts: 8221
  • Country: 00
Re: Analog ESR/Z meter- finished
« Reply #4 on: March 08, 2016, 12:12:55 pm »
"But it helps with measuring low esr values, as is seen from LTspice plot in other topic, and that is more important for me."

I will take a look at that thread but it seems counter intuitive in that a precision rectifier provides the same performance in low ESR cases and better performance at high ESR.


Also, if you want to focus on low res, use a lower value resistor in serial with the dut (10ohm now) - that resistor dictates the center value of your ESR reading. Or you have to recalibrate the meter.
================================
https://dannyelectronics.wordpress.com/
 

Offline RiverTownTopic starter

  • Regular Contributor
  • *
  • Posts: 69
  • Country: hr
Re: Analog ESR/Z meter- finished
« Reply #5 on: March 09, 2016, 05:54:48 pm »
I meant to say that nonlinearity of diodes changes scale deflection vs esr from linear to exponential, which in this case increases resolution on smaller esr values.
Meter is manually calibrated with bunch of 1 ohm 1% resistors. Two of them in parallel to form 0.5 ohm resistor, and then every other in series. That allowed me to draw a scale with 0.5ohm resolution. Not ideal but works for me.
 


Share me

Digg  Facebook  SlashDot  Delicious  Technorati  Twitter  Google  Yahoo
Smf