Author Topic: HeathKit - Bell & Howell Schools Oscilloscope  (Read 18189 times)

0 Members and 1 Guest are viewing this topic.

Offline FlyingHackerTopic starter

  • Frequent Contributor
  • **
  • Posts: 807
  • Country: us
  • You're Doing it Wrong
HeathKit - Bell & Howell Schools Oscilloscope
« on: October 14, 2015, 07:44:46 am »
Hi,

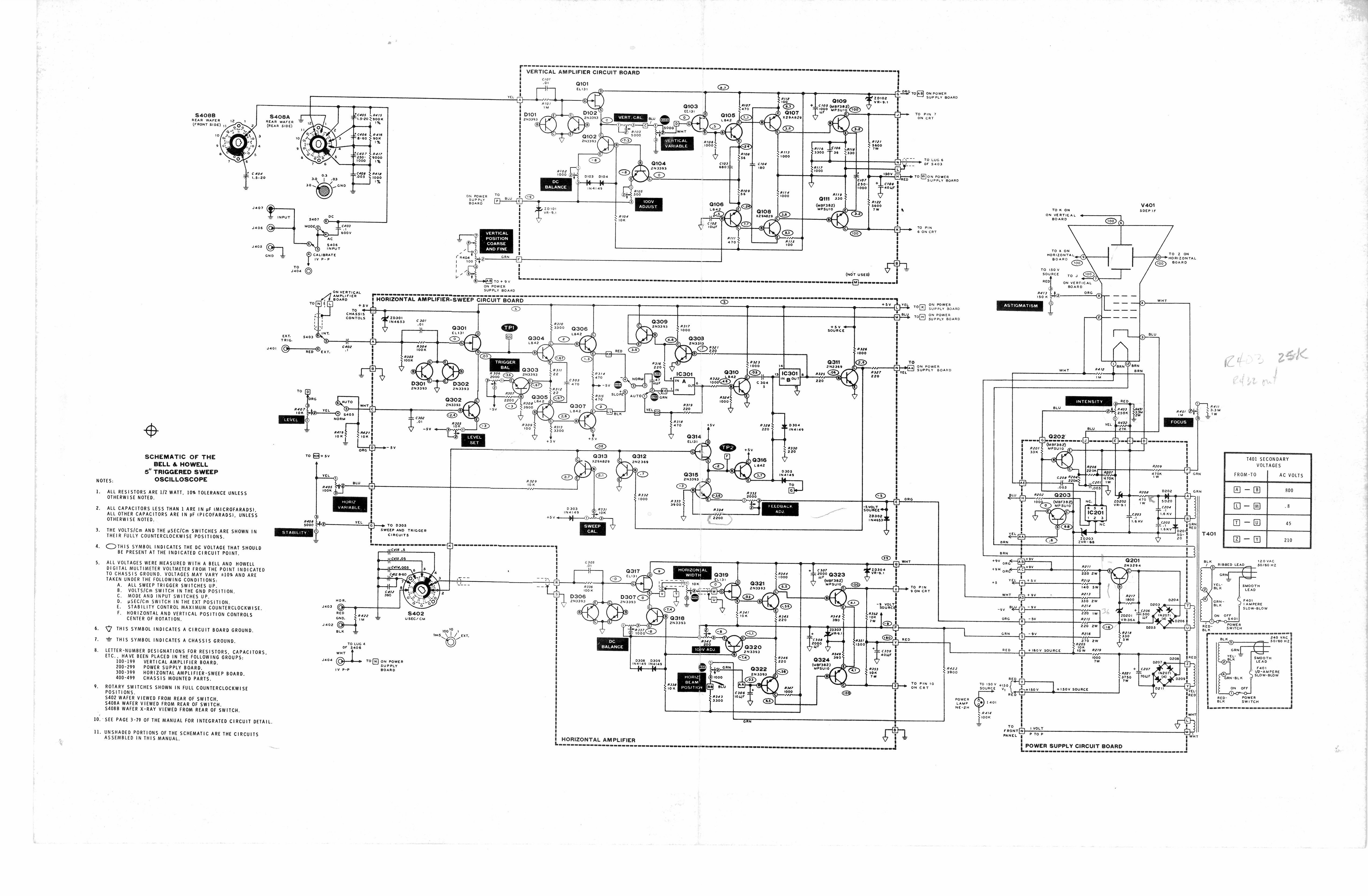
I am taking at look at an old Bell & Howell School oscilloscope marked as "Solid State Oscilloscope Triggered Sweep 5MHz Bandwidth" it is the blue one that is a little taller than it is wide.

Also known as:
Heath Model # 100-203-31
Bell & Howell # Model 9560-1
5 Inch Triggered Sweep Oscilloscope

Some docs here. I plan on assembling those into a PDF:

www.bunkerofdoom.com/lit/bellandhowell/index.html

Here is the PDF... The owner of Bunkerofdoom said to make it into a PDF was OK with him.

http://meanmutha.com/BellHowellScopeManual.pdf


Will post pics tomorrow.

I got it generally up and running. Was way out of cal and you couldn't find a trace at all. But I went through the cal procedures and it is generally OK now.

I am having an odd issue, though. When I set the horizontal division (uSec/cm) to 1 (the lowest setting) I am unable to trigger on a signal from about 80-120kHz. It will not get a stable trace even if you turn up the Stability control (need to research exactly what that is, as I am used to Tek scopes, which have no such control). I will not trigger with internal or external triggers in that frequency range. But only if the horizontal is set to 1uSec/cm.

I tried two function gens, and with and without termination. I tried sine, square and triangle waves. It just won't get a good trigger.

My wild guess is this is some ripple on the power supply. I am seeing a fair amount when measuring with an AC meter. I had around 1V on one rail, and half a volt on the other, etc.  I think I should replace the old electrolytic caps, and measure any resistors I can (lots of carbon composition).

Does anyone have a working one of these scopes? Would love to get some measurements. The docs have some voltage measurements, but no ripple tolerances like a Tek manual (professional tools vs. something you build in school).

Interesting little scope, really. It was a kit to be built by students and then used. They do this after they build their own Bell & Howell Nixie tube meter (got that in the sale too!). Both kits are made by Heath. I was planning on giving this to a friend who is new to scopes if I can get it going.

Thanks. Any info is appreciated.
« Last Edit: October 30, 2015, 03:31:51 pm by FlyingHacker »
--73
 

Offline tautech

  • Super Contributor
  • ***
  • Posts: 29614
  • Country: nz
  • Taupaki Technologies Ltd. Siglent Distributor NZ.
    • Taupaki Technologies Ltd.
Re: Bell & Howell Schools Oscilloscope
« Reply #1 on: October 14, 2015, 08:42:13 am »
Take a look at this part of the PSU:
http://www.bunkerofdoom.com/lit/bellandhowell/122.jpg
From the description there is only one voltage that you need to check for ripple: 31V.
All other 6 low voltages are supplied from this 31V via dropper resistors.  :-DD
You'd expect the ripple on the 31V to be less than 100mV IMO.

The other voltages supplied are listed as 180 & 150V, both unregulated.
« Last Edit: October 14, 2015, 08:54:26 am by tautech »
Avid Rabid Hobbyist.
Some stuff seen @ Siglent HQ cannot be shared.
 

Offline FlyingHackerTopic starter

  • Frequent Contributor
  • **
  • Posts: 807
  • Country: us
  • You're Doing it Wrong
Re: Bell & Howell Schools Oscilloscope
« Reply #2 on: October 14, 2015, 04:28:54 pm »
Tautech,

Thanks for chiming in.

I shall check ripple on that 31V segment.

Do you think power supply issues could cause this weird trigger issue?

Note that I can see a trace when I turn up the "Stability," but it is overlapped. I find that frequencies near that bad range become much more touchy on the stability control. I have to have the stability control just barely above the point where the trace appears. If I go higher the trace begins to look all overlapped like it does in the bad range.

I tried contact cleaner on the stability pot (and all of them, worked wonders for intensity). I may try some more on stability.

Since the calibration procedure calls for a 100kHz wave with the sec/div set to 1uSec I am sure it it supposed to work in this setup.
--73
 

Offline FlyingHackerTopic starter

  • Frequent Contributor
  • **
  • Posts: 807
  • Country: us
  • You're Doing it Wrong
Re: Bell & Howell Schools Oscilloscope
« Reply #3 on: October 14, 2015, 04:45:21 pm »
I guess if the power supply tests out Ok (which I honestly doubt it will in terms of ripple anyway) then I should look at the stability pot itself, D305 and D304, R320 (the 220 ohm I may be misreading) and R330.

I am guessing either something is not switching fast enough, or is oscillating. Or, most likely, the power supply ripple is "rippling through" to the trigger circuit. Perhaps I will check the ripple around Q316 as well. I know I have TP2 at a steady DC 0.2V, but I didn't check for any ripple there. It could be through the +5V on the stability control as well, or right onto the collector of Q316.
--73
 

Offline FlyingHackerTopic starter

  • Frequent Contributor
  • **
  • Posts: 807
  • Country: us
  • You're Doing it Wrong
Re: Bell & Howell Schools Oscilloscope
« Reply #4 on: October 14, 2015, 05:47:58 pm »
Some more info:

Across emitter of Q201 to the anode of ZD201 I see 3.5 mV RMS of ripple. Doesn't seem like a ton? No?

If you look at the voltage measurement diagram for the power supply. I get <1mV from ground to AD, but ~310mV RMS from ground to the test point labelled AC.

~2mV RMS at the top of R214 as indicated as -18V

<1mV on K, R, and S to ground


The voltages are a little off, though (I doubt too far):

K = 4.596V

P = -8.37V

R = -4.539V

S = -8.88V

R214 = -18.05V

AC = 9.40V

AD = 8.94V

Q203e = 0V
Q203b = 0.206V
Q203c = 53.9V

V = 156.9V
X = 214.9V
« Last Edit: October 14, 2015, 07:35:54 pm by FlyingHacker »
--73
 

Offline tautech

  • Super Contributor
  • ***
  • Posts: 29614
  • Country: nz
  • Taupaki Technologies Ltd. Siglent Distributor NZ.
    • Taupaki Technologies Ltd.
Re: Bell & Howell Schools Oscilloscope
« Reply #5 on: October 14, 2015, 06:29:41 pm »
If there is significant ripple on the PSU it will affect all operation of the scope.

Back to basics, get the PSU right first.
Check all main 'lytics even those used for local bulk capacitance.
http://www.bunkerofdoom.com/lit/bellandhowell/4bellandhowellscope.jpg
Eg. C307 on the 9V rail
Avid Rabid Hobbyist.
Some stuff seen @ Siglent HQ cannot be shared.
 

Offline FlyingHackerTopic starter

  • Frequent Contributor
  • **
  • Posts: 807
  • Country: us
  • You're Doing it Wrong
Re: Bell & Howell Schools Oscilloscope
« Reply #6 on: October 14, 2015, 06:54:43 pm »
The base and emitter voltages of Q316 read like the schematic reference voltages (with Stability off of course).  I have the base tuned to 0.2V per the cal procedure. The emitter is 3.685V (note that the student assembling this is using a 2.5 digit multimeter which they assembled).

I think it may just be that I cannot get a fine enough adjustment on the Stability pot. Even putting my light load of my Fluke 87 on the circuit can occasionally get it stable.

I hooked a Simpson 260 up to the wiper of the Stability pot to I could turn ithe knob and look for jumps or dead spots. It didn't have any dead spots. It seemed to double back on itself a TINY bit right around the area of interest, but this could have just been a change in the loading on the rest of the circuits caused by the trace popping up. I was measuring the voltage coming off the wiper, rather than the resistance on an open circuit.

I am tempted to add a trim pot between pin 3 of the Stabilty pot and the five volt rail in order to give me finer control. It looks like the stability pot must be logarithmic or something because it is at the five volt supply voltage when full off, but by the point of interest, which is maybe a quarter to a third the way on the knob, the wiper is at 1.8V or so. If I could bias the whole thing down by lowering the voltage at pin 3 (the five volt rail input to the Stability pot, which used as a voltage divider) then I should have more of the Stability knob in the more useful range.

But... It really should work as is, or they would not have had students build it like this. So I do think something is amiss someplace, but I am not sure where.

Thoughts? Thanks.
--73
 

Offline FlyingHackerTopic starter

  • Frequent Contributor
  • **
  • Posts: 807
  • Country: us
  • You're Doing it Wrong
Re: Bell & Howell Schools Oscilloscope
« Reply #7 on: October 14, 2015, 06:56:16 pm »
If there is significant ripple on the PSU it will affect all operation of the scope.

Back to basics, get the PSU right first.
Check all main 'lytics even those used for local bulk capacitance.
http://www.bunkerofdoom.com/lit/bellandhowell/4bellandhowellscope.jpg
Eg. C307 on the 9V rail

Are you saying 3.5mV RMS is significant ripple? I don't know what is SHOULD be...
--73
 

Offline tautech

  • Super Contributor
  • ***
  • Posts: 29614
  • Country: nz
  • Taupaki Technologies Ltd. Siglent Distributor NZ.
    • Taupaki Technologies Ltd.
Re: Bell & Howell Schools Oscilloscope
« Reply #8 on: October 14, 2015, 07:03:23 pm »
If there is significant ripple on the PSU it will affect all operation of the scope.

Back to basics, get the PSU right first.
Check all main 'lytics even those used for local bulk capacitance.
http://www.bunkerofdoom.com/lit/bellandhowell/4bellandhowellscope.jpg
Eg. C307 on the 9V rail
Sorry missed that.  :palm:
Too eager to help.
Carry on.  :popcorn:

Are you saying 3.5mV RMS is significant ripple? I don't know what is SHOULD be...
Avid Rabid Hobbyist.
Some stuff seen @ Siglent HQ cannot be shared.
 

Offline FlyingHackerTopic starter

  • Frequent Contributor
  • **
  • Posts: 807
  • Country: us
  • You're Doing it Wrong
Re: Bell & Howell Schools Oscilloscope
« Reply #9 on: October 14, 2015, 07:34:55 pm »

Sorry missed that.  :palm:
Too eager to help.
Carry on.  :popcorn:

Are you saying 3.5mV RMS is significant ripple? I don't know what is SHOULD be...


So you think 3.5mV RMS sounds acceptable then? It didn't seem inordinately high, but I have seen some Tek scope rails require less than 1mV. A Tek scope this is not...  :-DD

I will check the caps with my ESR ("Transistor Tester"works in circuit for larger caps).  I bet they are not great.
--73
 

Offline tautech

  • Super Contributor
  • ***
  • Posts: 29614
  • Country: nz
  • Taupaki Technologies Ltd. Siglent Distributor NZ.
    • Taupaki Technologies Ltd.
Re: Bell & Howell Schools Oscilloscope
« Reply #10 on: October 14, 2015, 07:57:26 pm »
Yep. I'd work with 3.5mV.  :-+
Avid Rabid Hobbyist.
Some stuff seen @ Siglent HQ cannot be shared.
 

Offline FlyingHackerTopic starter

  • Frequent Contributor
  • **
  • Posts: 807
  • Country: us
  • You're Doing it Wrong
Re: Bell & Howell Schools Oscilloscope
« Reply #11 on: October 14, 2015, 08:15:38 pm »
I replaced C307 and C308. These were the only two I had on hand. I don't have the 350V caps on hand.

The ESR of the 350V caps was generally in spec. Though C205 was a hint high.

The ESR of the 2000uF 15V caps I replaced was ~.46ohms. Higher than the spec of around .12ohms, but not like a short or open or anything. Of course the new Wun Hung Lo replacements were around .32ohms, but were 50V.

Anyway, this had no effect on the issue, though was probably a good plan.

What do you think of my trim pot idea?

I am not sure where else to look. I will check some resistors.
« Last Edit: October 14, 2015, 09:01:07 pm by FlyingHacker »
--73
 

Offline FlyingHackerTopic starter

  • Frequent Contributor
  • **
  • Posts: 807
  • Country: us
  • You're Doing it Wrong
Re: Bell & Howell Schools Oscilloscope
« Reply #12 on: October 14, 2015, 09:00:20 pm »
Checked R328 and R330 as well as lifted legs and tested D304 and D305. All fine.
--73
 

Offline FlyingHackerTopic starter

  • Frequent Contributor
  • **
  • Posts: 807
  • Country: us
  • You're Doing it Wrong
Re: Bell & Howell Schools Oscilloscope
« Reply #13 on: October 14, 2015, 11:24:22 pm »
I put this on an isolation transformer and hooked up my four channel Tek 2465. Here is a photo of the waveforms.

From bottom to top the waveforms are (vertical scales not consistent):

Q316e
Q310c
Q308b
Q203b (over on power supply)

Photo one is with it working correctly, with a signal of 150kHz. If I then adjust the frequency generator to 146kHz the waveforms stay the same, even though the waveform on the scope under test goes away.

So it looks like the trigger is still working correctly, but perhaps the blanking circuit is in error for some reason.

The second photo shows the waveforms if I adjust the Stability control upward more until I get an image on the scope under test (but it is not properly triggered).

What is interesting is that I can turn the Stabilty downward and see it lose trigger completely.

To phrase another way, with 150kHz (working frequency) as I increase Stability from nothing  upwards I see first no trigger and no waveform, then trigger on the Tek and the proper waveform on the scope under test, and then the improperly triggered waveform on the Tek (photo two) and an improperly triggered waveform on the scope under test.

With 146kHz (failing frequency) as I increase Stability from nothing upwards I see first no trigger and no waveform on the scope under test, then the triggered waveforms on the Tek (first photo) but *still no wave* on the scope under test, finally I see the improperly triggered waveform on the Tek (photo two) and the improperly triggered waveform on the scope under test.

So it almost seems like the blanking circuit. I need to examine it further. Note that the collector of Q203 looks fine, I was just probing it on channel 4 of the Tek, which has limited vertical range, so I went with the base of Q203 instead.

« Last Edit: October 15, 2015, 06:40:22 am by FlyingHacker »
--73
 

Offline FlyingHackerTopic starter

  • Frequent Contributor
  • **
  • Posts: 807
  • Country: us
  • You're Doing it Wrong
Re: Bell & Howell Schools Oscilloscope
« Reply #14 on: October 14, 2015, 11:29:22 pm »
I am going to study the circuit further and figure out where I need to probe. Have to be careful with the HV caps right there on the power supply.
--73
 

Offline FlyingHackerTopic starter

  • Frequent Contributor
  • **
  • Posts: 807
  • Country: us
  • You're Doing it Wrong
Re: Bell & Howell Schools Oscilloscope
« Reply #15 on: October 15, 2015, 01:41:13 am »
As per above I *think* I have established that the issue is not in the trigger. The trigger waveforms on the Tek remain the same when I adjust the frequency (they change in frequency as well of course). However the wave disappears from the scope under test. When adjusting the frequency through the cutoff region I hear a slight buzzing from the neighborhood of IC201 or Q202. It is hard to pinpoint, and both of those are at very high voltage so I can't get too close.

I wish I had a HV scope probe  :palm: luckily I have been able to check them for a moment wit the Fluke 87, which won't read over 1000V, but at least doesn't blow up. I do this before I touch the scope probe to anything  :-+

So, here are some other measurements...

The waveform on Q309e, as well as IC201 pin 1 do not change when the wave goes off the scope under test.

Collector of Q308 looks good, amplified version of the base. Also no change when the scope under test stops showing the wave.
« Last Edit: October 15, 2015, 04:33:27 am by FlyingHacker »
--73
 

Offline FlyingHackerTopic starter

  • Frequent Contributor
  • **
  • Posts: 807
  • Country: us
  • You're Doing it Wrong
Re: Bell & Howell Schools Oscilloscope
« Reply #16 on: October 15, 2015, 01:48:52 am »
I think I have exhausted my ideas on the horizontal and sweep trigger board. Unless something is wrong with the high voltage optocoupler IC201 or the HV transistor Q202 it seem like everything getting there is in order to sweep and blank the CRT.

Perhaps I should take a look at the vertical board. Maybe something is amiss there causing the beam to go offscreen or something. The scope has no Beam Find function, which would be useful to look for that. I may start by checking C105, an electrolytic I hadn't noticed because i was looking at the other side of the scope.
--73
 

Offline Tomorokoshi

  • Super Contributor
  • ***
  • Posts: 1212
  • Country: us
Re: Bell & Howell Schools Oscilloscope
« Reply #17 on: October 15, 2015, 02:31:15 am »
 

Offline FlyingHackerTopic starter

  • Frequent Contributor
  • **
  • Posts: 807
  • Country: us
  • You're Doing it Wrong
Re: Bell & Howell Schools Oscilloscope
« Reply #18 on: October 15, 2015, 02:31:28 am »
Well, the vertical deflection waveforms look fine. They change based on the input waveform and frequency.

I am starting to think it's in the HV section. Maybe Q202.

I am definitely seeing the issue at 10 uSec/cm as well as at 1 uSec/cm.

I noticed that what is sometimes happening as I adjust the frequency is that the waveform on the scope under test gradually fades in and out over some different ranges. Adjusting the intensity control sometimes causes the waveform to come back, but then a change in frequency causes it to fade out again. This seems to be the most prevalent around the 10-30 kHz range.

I actually see that the fading has a sawtooth pattern as I increase the frequency. I ramp the frequency up and the waveform gets brighter and brighter, and then vanishes. Keep going up in frequency and it gets brighter and then vanishes. And so on... Definitely sawtooth.

It's like something is resonating in the Q202 circuit?

Any thoughts, anyone?

I really need a high voltage probe, but I doubt I can afford one to fix this old scope. Anyone in or near St. Louis have a high voltage probe they could lend? I have an airplane, and can fly a few hundred miles to pick it up... Thanks.

Update: the Chinese 2kV probes aren't that pricey, and might suffice for this.

Thanks.
« Last Edit: October 15, 2015, 06:37:43 am by FlyingHacker »
--73
 

Offline FlyingHackerTopic starter

  • Frequent Contributor
  • **
  • Posts: 807
  • Country: us
  • You're Doing it Wrong
Re: Bell & Howell Schools Oscilloscope
« Reply #19 on: October 15, 2015, 02:32:36 am »
Looks like a fun project.

I have one of these:
http://www.digibarn.com/collections/systems/appleII-bell-and-howell/index.html

Ah yes, the badass Black Apple ][. A friend of mine had one as a kid. I really wanted it. Were those a kit, or just branding for classrooms?
« Last Edit: October 15, 2015, 04:25:59 am by FlyingHacker »
--73
 

Offline Tomorokoshi

  • Super Contributor
  • ***
  • Posts: 1212
  • Country: us
Re: Bell & Howell Schools Oscilloscope
« Reply #20 on: October 15, 2015, 05:18:27 am »
Ah yes, the badass Black Apple ][. A friend of mine had one as a kid. I really wanted it. Were those a kit, or just branding for classrooms?

As I understand it, Apple was looking for a way to get into the educational market, and Bell & Howell had a good distribution channel into schools.

Bell & Howell was looking to add computers to their offerings, so it was a convenient match for both at an important time in the early computer industry.
 

Offline singapol

  • Frequent Contributor
  • **
  • Posts: 420
  • Country: sg
Re: Bell & Howell Schools Oscilloscope
« Reply #21 on: October 15, 2015, 09:09:22 am »
Check the crt circuit, that's where INTENSITY and FOCUS are. Check for cracked solder joints.
 

Offline FlyingHackerTopic starter

  • Frequent Contributor
  • **
  • Posts: 807
  • Country: us
  • You're Doing it Wrong
Re: Bell & Howell Schools Oscilloscope
« Reply #22 on: October 15, 2015, 05:49:17 pm »
Check the crt circuit, that's where INTENSITY and FOCUS are. Check for cracked solder joints.

Thanks for the input. I think the problem almost has to be in the CRT circuit.

But what would cause the intensity to vary based on the input frequency? Doesn't sound like a solder issue, or am I missing something? Maybe the audible whine I hear could wiggle a solder joint or something?

I will take a look at the board. If I don't see anything I will pull and test Q202 with a meter as a start.

Thanks.
--73
 

Offline FlyingHackerTopic starter

  • Frequent Contributor
  • **
  • Posts: 807
  • Country: us
  • You're Doing it Wrong
Re: Bell & Howell Schools Oscilloscope
« Reply #23 on: October 15, 2015, 10:49:11 pm »
I'll post some lore info about why I am asking this soon, but can somebody else please compare D306 andD307 on the schematic (transistors used has diodes for a limiter, I think) with the solder mask on the circuit board shown here http://www.bunkerofdoom.com/lit/bellandhowell/371b.jpg

Those transistors look like they do not match the schematic. Thoughts? Are they supposed to be a limiter?

UPDATE: Ack! My stupidity... Although D305 and D306 are transistors being used as diodes I was looking at Q306 and Q307!

So ignore that.
« Last Edit: October 16, 2015, 12:37:33 am by FlyingHacker »
--73
 

Offline FlyingHackerTopic starter

  • Frequent Contributor
  • **
  • Posts: 807
  • Country: us
  • You're Doing it Wrong
Re: Bell & Howell Schools Oscilloscope
« Reply #24 on: October 16, 2015, 12:28:48 am »
So the CRT circuit and HV side turned out to be a red herring (I did find Q202 was poorly soldered, and cleaned that up)...

When I previously checked the horizontal side I had only checked the trigger, not the horizontal deflection. Turns out the horizontal deflection (collectors of Q323 and Q324) also change waveforms when the trace goes away! They get a flat line at the head of each sawtooth (or could be tail, not sure what I was triggering off of). The point is that I guess the beam is offscreen long enough that you can't see the trace (or the timing gets out of phase with the blanking).

Anyway, I started tracing the changing waveform backwards through the circuit (looking for anyplace where the change of the input frequency causes the waveform to jump). Since it was the same on both Q323 and Q324 I figured it had to be someplace that affected both circuits.

I have attached some more scope screenshots from another scope.

For all of these photos the top trace is the left hand input (schematic-wise) of R336. I am triggered off of this with a hold off since the other waveform is longer.

The bottom trace in these two images is measured at the emitter of Q306 (labeled D306) UPDATE: NO, this is actually at the emitter of Q306, NOT D306... Why they chose to use transistors and name them D using the same number as an actual transistor is beyond me.

In photo one the input frequency is tuned such that waveform is displaying correctly on the scope under test.

In photo two I have slightly adjusted the input frequency such that the scope under test is no longer displaying the waveform (i.e. I caused the problem I am trying to solve). You can see the resulting waveform on the transistor change.

That is a weird pattern. Is that some sort of oscillation?

« Last Edit: October 16, 2015, 12:39:42 am by FlyingHacker »
--73
 


Share me

Digg  Facebook  SlashDot  Delicious  Technorati  Twitter  Google  Yahoo
Smf