Author Topic: Fluke/Phillips PM3394 "Delta-T" repair (Help with circuit interpretation)  (Read 10416 times)

0 Members and 1 Guest are viewing this topic.

Offline grumpydocTopic starter

  • Super Contributor
  • ***
  • Posts: 2926
  • Country: gb
What seems like ages ago (sadly I keep getting interrupted by other stuff) I agreed to have a look at the CPU and digitiser board from a Philips/Fluke PM3394 "combiscope" for another forum member (EHT).

I have the CPU card running - the problem having been corrupt firmware, however before I sent the cards back I thought that it would be a good idea to check the A8 board - here there was more trouble.

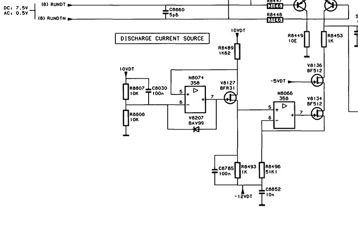
The digitiser needs to be able to measure 10-20ns pulse lengths down to a few 10's of ps precision but only has a 200MHz clock so uses an analogue circuit which Philips named the "Delta-T" circuit in the manuals. Sadly this is not working in EHT's board.

Basically it works by charging a capacitor via a constant current source during the pulse to be measured, then discharges it via another constant current source but at approx 1/500th the rate - by timing the discharge against the 200MHz clock we get resolution down to 10ps or so.

In EHT's board the cap does not appear to be discharging.

Now in later versions of the board (after about the end of '92) the circuit looks like this and I think I can follow it well enough.



Click on the image for the pdf of the full page in the service manual for extra context.

So, R8606 & 860& form a divider from the 10V rail to give a 5V reference. Op amp N8074 will keep the junction of R8489 and the emitter of V8127 at the reference voltage - giving 3.086mA through R8489 - consequently the voltage across R8493 will be 3.086V, the voltage across R8496 will also be 3.086V so 60uA will flow through R8453/V8136/V8134/R8496.

this 60uA is the discharge current, the charge current is generated in an (essentially) identically configured pair of op amps (see PDF) but with resistor values chosen to give a charge current of approx 30ma. The two BFT93 transistors are used to steer the charge current either to the integrating capacitor or down to ground via R8449.

The only thing I am a bit puzzled about is the role of V8136.

However in the version of the A8 board that EHT sent me the circuit is a bit different.



I presume that the current through R8489 and R8493 are supposed to be the same (as the later circuit) but I don't fully understand how it works - in particular the role of V8207 in the feedback loop.

Can anyone help out in explaining the operation of the circuit?
« Last Edit: July 24, 2017, 08:30:42 pm by grumpydoc »
 

Offline Armadillo

  • Super Contributor
  • ***
  • Posts: 1725
  • Country: 00
Re: Help with circuit interpretation (Fluke/Phillips PM3394)
« Reply #1 on: July 16, 2017, 07:41:00 pm »
Is that the miller effect compensator.?



was [26027 views]
« Last Edit: July 16, 2017, 07:44:44 pm by Armadillo »
 
The following users thanked this post: mandlebrot501

Offline grumpydocTopic starter

  • Super Contributor
  • ***
  • Posts: 2926
  • Country: gb
Re: Help with circuit interpretation (Fluke/Phillips PM3394)
« Reply #2 on: July 16, 2017, 07:57:15 pm »
Is that the miller effect compensator.?
Seems unlikely as this circuit is basically operating at DC.
 

Offline Armadillo

  • Super Contributor
  • ***
  • Posts: 1725
  • Country: 00
Re: Help with circuit interpretation (Fluke/Phillips PM3394)
« Reply #3 on: July 16, 2017, 08:01:45 pm »
Is that the miller effect compensator.?
Seems unlikely as this circuit is basically operating at DC.

You don't need a choke [inductor] if it's purely DC!
 

Offline grumpydocTopic starter

  • Super Contributor
  • ***
  • Posts: 2926
  • Country: gb
Re: Help with circuit interpretation (Fluke/Phillips PM3394)
« Reply #4 on: July 16, 2017, 08:11:22 pm »
Is that the miller effect compensator.?
Seems unlikely as this circuit is basically operating at DC.

You don't need a choke [inductor] if it's purely DC!
That will be for additional filtering of any noise on the 18V rail - that inductor passes the 30mA charge current but no AC signal at all. The circuit is arranged so that the 30mA flows continuously - you could not turn the charge current on and off with the pulse to be measured as it is way too short (as I said only 10-20ns) - the control loop would never settle in time.
 

Offline Armadillo

  • Super Contributor
  • ***
  • Posts: 1725
  • Country: 00
Re: Help with circuit interpretation (Fluke/Phillips PM3394)
« Reply #5 on: July 16, 2017, 08:24:00 pm »
Yeah! maybe its an extra component, you can try take it out to see the effect.  :-//
 

Offline grumpydocTopic starter

  • Super Contributor
  • ***
  • Posts: 2926
  • Country: gb
Re: Help with circuit interpretation (Fluke/Phillips PM3394)
« Reply #6 on: July 16, 2017, 08:32:44 pm »
Yeah! maybe its an extra component, you can try take it out to see the effect.  :-//
No, the plan is to measure the DC voltages around the current sources and see if there is an obvious fault. I tried measuring the current steering pulses but it is impossible to get short enough probe leads onto the PCB with the 'scope running - however, except for a short period where the cap is supposed to be charging it's largely DC conditions, and - as I explained - the current sources are intended to operate continuously so all the voltages around them are DC anyway. It's just in a very awkward location on the PCB to probe.

However I would like to properly understand how the current source operates.

Edit: Your comment is rather flippant and implies you know but consider it beneath your elevated expertise  to explain. Which is hardly fair as I had (I thought) politely asked for help.
« Last Edit: July 16, 2017, 08:34:47 pm by grumpydoc »
 

Offline The Soulman

  • Super Contributor
  • ***
  • Posts: 1042
  • Country: nl
  • The sky is the limit!
Re: Help with circuit interpretation (Fluke/Phillips PM3394)
« Reply #7 on: July 16, 2017, 08:35:12 pm »
Don't worry about the choke or the additional diode to much.
Have you looked at V8126 and the control signals RUNDT and RUNDTN?

Edit:


No, the plan is to measure the DC voltages around the current sources and see if there is an obvious fault. I tried measuring the current steering pulses but it is impossible to get short enough probe leads onto the PCB with the 'scope running -

Ok , can you probe across R8449?
« Last Edit: July 16, 2017, 08:42:52 pm by The Soulman »
 

Offline Armadillo

  • Super Contributor
  • ***
  • Posts: 1725
  • Country: 00
Re: Help with circuit interpretation (Fluke/Phillips PM3394)
« Reply #8 on: July 16, 2017, 08:49:06 pm »

Edit: Your comment is rather flippant and implies you know but consider it beneath your elevated expertise  to explain. Which is hardly fair as I had (I thought) politely asked for help.

Hi, cheers!, I really don't know because I have not spend a great among of time reading the circuit. Relax, someone might know and offer you a solution, OK?.  :-+
 

Offline grumpydocTopic starter

  • Super Contributor
  • ***
  • Posts: 2926
  • Country: gb
Re: Help with circuit interpretation (Fluke/Phillips PM3394)
« Reply #9 on: July 16, 2017, 08:50:39 pm »
Don't worry about the choke or the additional diode to much.
Have you looked at V8126 and the control signals RUNDT and RUNDTN?
I'm certainly not worried about the choke :)

As I said my first thought was to look at RUNDT and RUNDTN and make sure that they were present.

There are a couple of problems however - all this stuff is on the bottom edge of the digitiser card. With the card in the 'scope you have about 3cm one side and 4cm the other and about 10cm down so it is impossible to get a 'scope probe onto the board. I don't have an extender card which would be very useful.

I managed to get a logic probe clip onto RUNDTN but could not see a pulse - however that is probably due to the length of the ground loop as I could not get the ground lead anywhere near the point of measurement.

The 2nd issue is that I'm not even sure what levels the signals should be - I don't think that I trust the 8/8.5V labels (there are definite mistakes elsewhere - there is not, for instance, 3.5mV across R8491, it can easily be seen that it should be about 3V). The signals originate in a custom chip which is combined ECL and TTL logic and fed with -4.5V and 5V supplies so I can't see that it can generate 8.5V on its outputs. They could be open collector/drain I suppose but even then the limit would be the 8.3V generated by V8114.
 

Offline grumpydocTopic starter

  • Super Contributor
  • ***
  • Posts: 2926
  • Country: gb
Re: Help with circuit interpretation (Fluke/Phillips PM3394)
« Reply #10 on: July 16, 2017, 08:54:57 pm »

Edit: Your comment is rather flippant and implies you know but consider it beneath your elevated expertise  to explain. Which is hardly fair as I had (I thought) politely asked for help.

Hi, cheers!, I really don't know because I have not spend a great among of time reading the circuit. Relax, someone might know and offer you a solution, OK?.  :-+
Sorry, too many conversations recently where people have been critical but offered no useful insight (not on the forum BTW). Guess I got a bit more sensitive to that than I thought.
 

Online Andy Watson

  • Super Contributor
  • ***
  • Posts: 2130
Re: Help with circuit interpretation (Fluke/Phillips PM3394)
« Reply #11 on: July 16, 2017, 09:11:25 pm »
I think there may be a bit of misunderstanding about the "choke" - I think what Armadillo is saying, and I agree with it, is that V8136 is indeed operating in cascode mode and is intended to isolate the the high-frequency pulse on its drain from the rest of the discharge circuit. As you say, the circuit that defines the 60uA is operating at DC, but if you were to disturb it, it will only settle as fast as the bandwidth of the op-amps will allow - which is presumably much less than the bandwidth required to react to the pulse on the drain of V8136.
 

Offline grumpydocTopic starter

  • Super Contributor
  • ***
  • Posts: 2926
  • Country: gb
Re: Help with circuit interpretation (Fluke/Phillips PM3394)
« Reply #12 on: July 16, 2017, 09:32:22 pm »
I think there may be a bit of misunderstanding about the "choke" - I think what Armadillo is saying, and I agree with it, is that V8136 is indeed operating in cascode mode and is intended to isolate the the high-frequency pulse on its drain from the rest of the discharge circuit. As you say, the circuit that defines the 60uA is operating at DC, but if you were to disturb it, it will only settle as fast as the bandwidth of the op-amps will allow - which is presumably much less than the bandwidth required to react to the pulse on the drain of V8136.
Ah, thanks, that makes some sense. Totally missed the fact that Armadillo was talking about V8136 and perhaps a little too focussed on the DC conditions.

The business end of the discharge source doesn't really operate at DC, thinking about it - the duty cycle is pretty low so the cap is mostly discharged (or would be if things were working) so it will spend most of the time not passing any current and have to settle pretty quickly once the cap starts to charge..

I remain puzzled as to exactly how the 2nd (earlier) version of the circuit regulates the current through R8489/R8493.
 

Online Andy Watson

  • Super Contributor
  • ***
  • Posts: 2130
Re: Help with circuit interpretation (Fluke/Phillips PM3394)
« Reply #13 on: July 16, 2017, 10:02:33 pm »
I remain puzzled as to exactly how the 2nd (earlier) version of the circuit regulates the current through R8489/R8493.
Both versions of the circuit are enforcing a constant voltage across R8489 (note that the inputs to N8074 have been reversed) - so the output is a constant current which drives R8493. It's a bit odd that they have used this configuration of one current source providing the reference for the other current source/mirror  - so I'm guessing that they consider the 10VDT power supply to be the most stable voltage reference.

Edit: Also, they are using the 10VDT supply as the reference for the charging current source - so even if the 10V is not exact, the charge and discharge currents will track each other. The odd configuration is simply a method of transferring the positive reference to the negative supply - as required by the discharge source.
« Last Edit: July 16, 2017, 10:08:48 pm by Andy Watson »
 

Offline grumpydocTopic starter

  • Super Contributor
  • ***
  • Posts: 2926
  • Country: gb
Re: Help with circuit interpretation (Fluke/Phillips PM3394)
« Reply #14 on: July 16, 2017, 10:24:50 pm »
I remain puzzled as to exactly how the 2nd (earlier) version of the circuit regulates the current through R8489/R8493.
Both versions of the circuit are enforcing a constant voltage across R8489 (note that the inputs to N8074 have been reversed) - so the output is a constant current which drives R8493.
Any chance of expanding how the control loop works - I know I'm being dense but I can't quite figure it out.

Disregarding the diode for a sec you have the 5V reference on the inverting input and the sense on the end of R8489 - if the current drops then the voltage on the non-inverting input will rise and the op amp output will start to swing up to 18V, that will allow more current to flow through the FET, restoring the drop across the resistor. Conversely if the curren increases, the voltage at the non-inverting input will drop below the inverting input and the output will head negative cutting the current through the FET.  So I think I get the basic loop. But why the diode feedback. Assuming that the output of the 358 is less than 0.6V above the reference the diode won't be conducting, but if it is then it will, presumably, conduct and shift the reference voltage so I don't get the detail of what that's suppose to achieve.

Quote
It's a bit odd that they have used this configuration of one current source providing the reference for the other current source/mirror  - so I'm guessing that they consider the 10VDT power supply to be the most stable voltage reference.
It probably is - the 10V line is regulated from the 12V line using the 'scope's primary 10V reference.

Quote
Edit: Also, they are using the 10VDT supply as the reference for the charging current source - so even if the 10V is not exact, the charge and discharge currents will track each other. The odd configuration is simply a method of transferring the positive reference to the negative supply - as required by the discharge source.
OK

Actually nothing in this circuit needs to be exact, just stable. Part of the autocal procedure is to time a 10ns pulse, then a 20ns pulse. That will give it two points to work out a scale factor & offset when doing the measurements.
« Last Edit: July 16, 2017, 10:30:38 pm by grumpydoc »
 

Online Andy Watson

  • Super Contributor
  • ***
  • Posts: 2130
Re: Help with circuit interpretation (Fluke/Phillips PM3394)
« Reply #15 on: July 16, 2017, 10:55:57 pm »
I think your explanation for the FET version is correct. The bipolar version is probably best viewed as a voltage follower aimed at fixing 5V across R8489.

I was going to suggest that the diode feedback was there to prevent some kind of latch-up situation during power-up. Remember that these are jfets - if you forward bias the gate-source it is a PN junction which will conduct. Also note that the op-amp has positive feed back from R8489. If the output of the op-amp were sufficiently high, it is possible that it could supply all the current to drive the R8493 via the PN junction of the jfet - so R8489 is robbed of current and the positive feedback maintains this situation. The feedback diode checks the voltage on the output of the op-amp.
 

Offline Armadillo

  • Super Contributor
  • ***
  • Posts: 1725
  • Country: 00
Re: Help with circuit interpretation (Fluke/Phillips PM3394)
« Reply #16 on: July 17, 2017, 05:20:53 am »

In EHT's board the cap does not appear to be discharging.


How did you test that the capacitor C8271 is not charging/discharging? Please explain.

I don't suppose you actually measured the voltage from the poor 150pf capacitor?

Can you confirm that pulse train is coming into base of V8126 and then if N8062 Pin 4 [DTRDYN] has a pulse train out, C8271 is charging and discharging has been confirmed. Can you confirm this?

Don't fix your thinking into the DC opamp theory too much, because this circuit is pulsed On/Off very rapidly, hence the dynamic transient response, capacitive effect on FET gate comes into play, e.g. to isolate the important key capacitor C8271 from drain-gate capacitance of V8134 [60uA source] so as not to affect the precision current source and glitch free.

Let us know your findings.
« Last Edit: July 17, 2017, 07:10:21 am by Armadillo »
 

Offline grumpydocTopic starter

  • Super Contributor
  • ***
  • Posts: 2926
  • Country: gb
Re: Help with circuit interpretation (Fluke/Phillips PM3394)
« Reply #17 on: July 17, 2017, 02:15:35 pm »

In EHT's board the cap does not appear to be discharging.


How did you test that the capacitor C8271 is not charging/discharging? Please explain.

I don't suppose you actually measured the voltage from the poor 150pf capacitor?
Well, I stuck a 'scope probe on it looking for the sawtooth. It was just showing about 8VDC (need to repeat that to re-check the exact voltage but definitely no sawtooth).

I have confirmed that, on a working board, the sawtooth is visible without too much difficulty (on a Lecroy 9354).

Quote
Can you confirm that pulse train is coming into base of V8126 and then if N8062 Pin 4 [DTRDYN] has a pulse train out, C8271 is charging and discharging has been confirmed. Can you confirm this?
Well, I think I can confirm that with a trace displayed (so the 'scope is triggering) I can't see a sawtooth on C8271.

My next thought was to look at the bases of V8126 and V8124, I managed to get a probe hook on the base of V8124 but could not see a pulse there. However because of access difficulties I had long leads, especialy the ground clip which was attached "miles" away. So a 20ns pulse might be difficult to see. Also it could be quite a small swing that I am looking for - the 8/8.5V label suggests that it might only swing through half a volt.

Quote
Don't fix your thinking into the DC opamp theory too much, because this circuit is pulsed On/Off very rapidly, hence the dynamic transient response, capacitive effect on FET gate comes into play, e.g. to isolate the important key capacitor C8271 from drain-gate capacitance of V8134 [60uA source] so as not to affect the precision current source and glitch free.

Let us know your findings.
My current thinking is this:

I can't demonstrate that the RUNDT/RUNDTN pulses are good. If they are not then the board is scrap as they originate in one of the large custom chips and they connect almost directly to the bases of V8124/6. But let's assume for a moment that they are OK.

At some point I will swap back in a known good card and see if I can see those pulses on a 'scope - I'll know what I am looking for at that point and know that I can probe it so I can see if it is present on the faulty card. In the mean time I was trying to find a 20ns pulse of unknown amplitude with a 15cm unscreened lead and about 20cm of ground loop. I'm not terribly surprised that it elluded me!

I want to limit board swaps though - EHT's card is pretty much "1st generation" and has a lot of (factory) re-work on the card so it is a bit mechanically fragile, some of the RF connectors on the board need quite a bit of pulling to get off and I don't want to keep doing that repeatedly.

So, given that the charge pulse is short, the charge source runs all the time and is steered to and from the integrating capacitor and the discharge source is connected all the time then there are a few things that I can look at with DC levels.

I can look at VBE on V8124/6 and make sure that V8124 looks as though it is not conducting and V8126 looks as though it is.

I can look at the voltage on R8496 and see if the discharge current is flowing - if not (which I suspect/hope) I can check the voltages around V8074 (which is definitely just operating at DC) and see if they look OK (but for that I need to know what they should be as it isn't given in the manual - hence this thread).

If the voltages around N8074 and the reference input to N8066 look OK but there is no current flowing (which there should be if the cap is charged to 8V) then I'll probably replace N8066/V8134/V8136 and check their associated resistors and see where that gets me

Sound reasonable?

Not sure when I'll get any time on the workbench though. "Real" work is a bit busy at the moment.
« Last Edit: July 17, 2017, 02:17:16 pm by grumpydoc »
 

Offline Armadillo

  • Super Contributor
  • ***
  • Posts: 1725
  • Country: 00
Re: Help with circuit interpretation (Fluke/Phillips PM3394)
« Reply #18 on: July 17, 2017, 02:48:25 pm »
I am sure you very well know what you are doing.

For me, however,

If I am not able to ;

1) Get any long pulses from DTRDYN, then I would confirm
2) Any pulses on the RUNDT;
3) If I can't get the confirmation in item [2] then

I would be looking else where example the clock oscillator circuit - MCAA clock, WHISTLER circuit etc.  I would not be spending time on the DC voltages knowing that without the pulses the charge / discharge would not be initiated at all.

And finally accept the demise of the jungle IC chip and move on forward to next venture.

Sound reasonable? No.... check elsewhere until finally..... you decide.

 
 

Offline grumpydocTopic starter

  • Super Contributor
  • ***
  • Posts: 2926
  • Country: gb
Re: Help with circuit interpretation (Fluke/Phillips PM3394)
« Reply #19 on: July 17, 2017, 03:24:34 pm »
All very reasonable points. Note that the 'scope will show a mostly stable waveform in digital mode up to the 250us/div timebase (faster than that and it switches to equivalent sampling and lack of a working delta-t screws it at that point, prior to that you just get a little jitter and a delta-t timeout message).

So clock, ADC, DSP, RAM and triggering etc are working. As above the 'scope is confirming it is not seeing the end of slope signal with a "Delta-T timeout" error message.

I chose to start with the integration waveform as it is the mid point of the Delta-T circuit - as there is no sawtooth there there's no point looking at the buffer or comparator. I agree 100% that checking that the RUNDT/RUNDTN pulses is the logical next thing to do but have hit some practical difficulties with that.

I'll get back to that fairly shortly but in the interim want to check the analogue bits on the charge/discharge sources to see if I get lucky or can infer something about the RUNDT/N signals with an easier measurement.

At the moment I reckon that the drop across R8496 is the key, easy measurement - if the top of C8127 is at 8V there should be 60uA flowing through R8496 and about 3V across it. If so the problem is RUNDT/N or the steering transistors. If not the problem is possibly with the discharge current source (which is actually what I'm hoping).

tl;dr - yes agree 100% in theory regarding the next logical step in testing. In practice i'm going to take a short detour first.
 

Offline Armadillo

  • Super Contributor
  • ***
  • Posts: 1725
  • Country: 00
Re: Help with circuit interpretation (Fluke/Phillips PM3394)
« Reply #20 on: July 17, 2017, 03:29:41 pm »

How did you test that the capacitor C8271 is not charging/discharging? Please explain.

I don't suppose you actually measured the voltage from the poor 150pf capacitor?

Well, I stuck a 'scope probe on it looking for the sawtooth. It was just showing about 8VDC (need to repeat that to re-check the exact voltage but definitely no sawtooth).

I have confirmed that, on a working board, the sawtooth is visible without too much difficulty (on a Lecroy 9354).

This one really puzzled me.

You know that the charge time is max 20ns @ 30mA, so the charge is very very small. How would you rationally put a probe [full of capacitance] to rob the charge away from the poor 150pf capacitor C8271. You at least should be measuring it after the buffer V8137 if you really wanted.

Furthermore, assuming maximum charge time of 20ns, the max voltage charged on the capacitor would be only 3.29682635266 V, how did you managed to confirm 8v and is able to measure a saw tooth waveform there from a known good board you said??, really puzzled me. Furthermore, it is clearly written on the schematic 0....3v SAWTOOTH.

Do a exercise;
Capacitor 150pf,
Voltage 10V
Series Resistor 333.33 ohm [so the charge current is 30mA]
Time of charge 20nsec
What is the charge voltage? 3.29682635266 V which somewhat tally with the schematic.

Now, conversely speaking, if you really measured 8V, then something is wrong with those transistors and it is worth to investigate the transistors there.




« Last Edit: July 17, 2017, 03:34:42 pm by Armadillo »
 

Offline grumpydocTopic starter

  • Super Contributor
  • ***
  • Posts: 2926
  • Country: gb
Re: Help with circuit interpretation (Fluke/Phillips PM3394)
« Reply #21 on: July 17, 2017, 03:37:35 pm »
The sawtooth on the good board was not 8V, it was about 3V, as expected - sorry if that was not clear.

If the faulty board was charging the cap would the voltage not rise higher over several measurement attempts, given that it probably isn't being discharged correctly?

At least that is my working assumption.

PS: Yes, puttng a probe at the top of the cap is certainly going to add capacitive and resistive load and alter the behaviour of the ciruit - but not enough to stop seeing the waveform at all. That was one of the reasons I checked on a known working board.
« Last Edit: July 17, 2017, 03:41:04 pm by grumpydoc »
 

Offline Armadillo

  • Super Contributor
  • ***
  • Posts: 1725
  • Country: 00
Re: Help with circuit interpretation (Fluke/Phillips PM3394)
« Reply #22 on: July 17, 2017, 03:53:37 pm »
The sawtooth on the good board was not 8V, it was about 3V, as expected - sorry if that was not clear.

If the faulty board was charging the cap would the voltage not rise higher over several measurement attempts, given that it probably isn't being discharged correctly?

At least that is my working assumption.

PS: Yes, puttng a probe at the top of the cap is certainly going to add capacitive and resistive load and alter the behaviour of the ciruit - but not enough to stop seeing the waveform at all. That was one of the reasons I checked on a known working board.

You have a lot of reasons........ LOL...  |O
 

Offline grumpydocTopic starter

  • Super Contributor
  • ***
  • Posts: 2926
  • Country: gb
Re: Help with circuit interpretation (Fluke/Phillips PM3394)
« Reply #23 on: July 17, 2017, 09:07:39 pm »
I can now confirm that RUNDT/RUNDTN are present and the voltages correspond to those in the schematic "1" to "0" swing is just under 0.5V and the actual voltages seem to be about 7.9 and 8.3V which, I think, confirms my suspicion that the 8.5V in the later manual is not quite right as the highest local rail is 8.3V, nor is the 7.5V in the earlier manual which is possibly why they changed it.

It was a slightly difficult signal to capture - I managed to raise the digital board out of the 'scope on some stacked DIN 41612 connectors so I could get a probe on the two 31R6 resistors on the bases of V8124/6. I was still stuck with a 10cm ground clip but could now get it onto the central "ground" tab that normally anchors the board into the 'scope, which is right by where the two transistors are located. Then the trick then was to use a single shot capture on the LeCroy. One of the other annoying features of the signal is that the duty cycle is low because the waveform update/trigger rate on the PM3394 is very slow. I'd have never seen it on an analogue 'scope (or my 3394B for that matter).

I need to look at the voltage on the cap again - I don't seem to be able to reproduce the earlier 8V measurement.

I get 3.08V across R8496 (on a multimeter) which is puzzling me, mainly because I get 3.07V on the "good" board and AFAICS the cap voltage should tend to 0V for most of the time, so how can current flow in the discharge source.
 

Offline Armadillo

  • Super Contributor
  • ***
  • Posts: 1725
  • Country: 00
Re: Help with circuit interpretation (Fluke/Phillips PM3394)
« Reply #24 on: July 17, 2017, 10:04:13 pm »
I get 3.08V across R8496 (on a multimeter) which is puzzling me, mainly because I get 3.07V on the "good" board and AFAICS the cap voltage should tend to 0V for most of the time, so how can current flow in the discharge source.

What cap are you talking about - ?

Exercise; [Proposal]

Separate circuit and measure. Please confirm findings; See diagram;

Lift up one leg of the inductor and the resistor or whichever, just apply concept.
« Last Edit: July 17, 2017, 10:13:35 pm by Armadillo »
 


Share me

Digg  Facebook  SlashDot  Delicious  Technorati  Twitter  Google  Yahoo
Smf