Author Topic: Re: Repair: PM3394 - "Can't communicate with UFO" (not quite solved)  (Read 19397 times)

0 Members and 1 Guest are viewing this topic.

Offline grumpydocTopic starter

  • Super Contributor
  • ***
  • Posts: 2906
  • Country: gb
Re: Repair: PM3394 - "Can't communicate with UFO"
« Reply #25 on: December 16, 2014, 11:18:42 pm »
Quote
And, of course, fixing one problem in hardware of this age often only enables you to discover the next.
Which is certainly the case for this 'scope at the moment.

Plugging the CPU card back into the 3394 and firing it up gives a trace, which is an encouraging start - and the readout text is there but, as before, very dim.

However with the lights turned out I can start to run some self tests and the results are a little less promising - most tests report a PASS but are accompanied with the message "DSP communication error" and the PRAM (DSP SRAM) test fails. Given the error messages I'm not sure how much to trust the tests which did "pass".

If the problem is with the RAM then it's probably fixable - it consists of two CY7C199 32kx8 10ns SRAMs - which are in stock at Farnell (though not sure if it's the correct package). Difficult to test, however - I think my only option is "swap and see"

The DSP is a TMS 320C25 and, well, that is in stock too but the one in the 'scope appears to be a mask programmed version - boo :(

So, if it's that or the custom bus arbitration chip, the "BATGE" we are in parts scope territory.

Also it could still be a problem on the CPU card so although I've put the 3382 back together I might not be through swapping CPU cards.

The easiest place to start is going to be with the dim readout text - this fault is quite likely to be on the A8 board since it was the same with either CPU card.

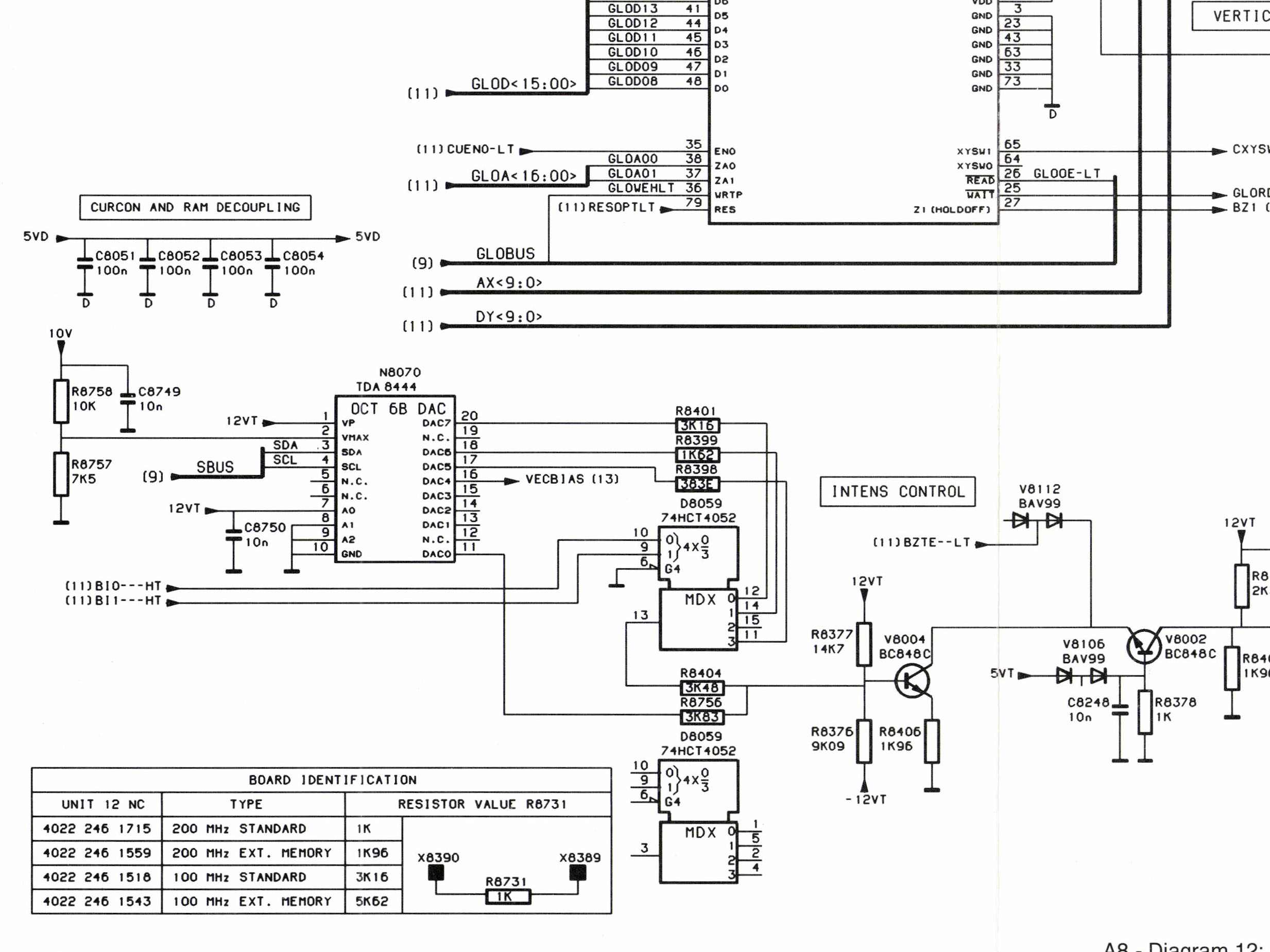
If you look at the circuit diagram the trace intensity is controlled by voltages output by a TDA 8444 I2C addressable DAC, these are then fed into a 74HCT4052 analogue multiplexer selected by a couple of control lines, and the output from that fed into the Z-Drive circuitry after a couple of other voltages are mixed in.

This is the relevant section of the circuit diagram - again it's a bit hard to follow on the thumbnail, click on the image for the full sized version



The lines control the intensity as follows:
BI1BI0
00Text
01Normal Trace
10Not Used
11Intensified Trace

Since the normal trace has good brightness it might well be that the dim text is because either the TDA8444 or the 74HCT4052 is having problems. It also ought to be fairly easy to debug - if I can get a DMM hooked up to the DAC outputs I can check whether the voltage increases/decreases as I adjust the front panel control. If not then the DAC is probably hosed - this is an obsolete part but easily available on ebay for a couple of quid.

EDIT: Anither possibility, looking at the truth table for the control lines is that BI1 is stuck high and it's actually switching between the intensified trace setting (which I'm mistaking for "normal") and the unused (and unconnected) input.

If the voltages coming out of the DAC and into the analogue switch look good then I can try to get a 'scope on the BI0 and BI1 lines and the multiplexor output and see whether that correctly follows the inputs. Or I could just replace the chips as it will be less than £5 for both.

I very much doubt it's the I2C bus as that would give lots of other problems, not do I think it is anything to do with the intensity control or Z drive after V8002 because that would affect all the intensities.

Stay tuned!
« Last Edit: December 17, 2014, 01:05:23 pm by grumpydoc »
 

Offline grumpydocTopic starter

  • Super Contributor
  • ***
  • Posts: 2906
  • Country: gb
Re: Repair: PM3394 - "Can't communicate with UFO"
« Reply #26 on: December 19, 2014, 01:08:53 pm »
One thing I have been looking for is an extender to have the boards exposed, while the scope is running.
It is a little difficult to take measurements on the installed boards.
Philips had these extenders developed for the service labs and I have seen them, but never found one that
was available.
I still haven't checked properly but I'm certain that it's a DIN 41612 (AKA Eurocard) connector.

Eurocard extenders are readily available but wouldn't really work - for one thing they are too long, for another they tend to be eye-wateringly expensive.

However I spotted this uncommitted backplane



on the Vero Technologies website.

Tipped on its side it is 100mm which would be a reasonable height to extend the cards in a Phillips 30[89]x or 33[89]x 'scope. You would need to add a right angle DIN41612 plug at one end and a right angle socket at the other (mounted on the opposite side to the plug)  but I think it would work - I just can't quite picture in my mind whether the key-ways would come out correctly. It would be just over £40 (=Eur 50) sans P&P which, while still a bit expensive, is not ridiculously so.

If you can etch your own double sided PCBs it would be fairly easy to construct an extender.
« Last Edit: December 19, 2014, 06:16:43 pm by grumpydoc »
 

Online tautech

  • Super Contributor
  • ***
  • Posts: 29347
  • Country: nz
  • Taupaki Technologies Ltd. Siglent Distributor NZ.
    • Taupaki Technologies Ltd.
Re: Repair: PM3394 - "Can't communicate with UFO"
« Reply #27 on: December 19, 2014, 06:43:23 pm »
I used PC IDE cable for the inter-connect between card connector and a self etched edge connector to make an extender.
The last of the IDE cables were ~80 way so plenty of conductors, just split the cable to your requirements.
IIRC the 40 way types may have had heavier conductors better suited for any power rails, but they are only LV rated. so probably better to run a pair or two alongside better suited.
Avid Rabid Hobbyist.
Some stuff seen @ Siglent HQ cannot be shared.
 

Offline SoundTech-LG

  • Frequent Contributor
  • **
  • Posts: 791
  • Country: us
Re: PM3394 - Can't communicate with UFO
« Reply #28 on: December 19, 2014, 08:50:46 pm »
I have many of these Fluke Philips Combiscopes and they are usually pretty easy to repair.

Well, sometimes they are beyond repair...
I just bought a 2 channel version on ebay, the PM3380B and it arrived as junk.
Everything is broken in to pieces, most likely from shipping damage.
May be I can salvage some PCB's and the tube.

Here are some pictures, it shows the modular build up of the scope pretty well.
These scopes were state of the art in the 1990th.



Still looks better than the GigaJunk! It's a testament to how well these are really built. It appears it was in the process of being skewered by a forklift for the bean counters. Amazingly the frame was strong enough to protect all the precious goodies inside!
 

Offline grumpydocTopic starter

  • Super Contributor
  • ***
  • Posts: 2906
  • Country: gb
Re: Repair: PM3394 - "Can't communicate with UFO"
« Reply #29 on: December 20, 2014, 12:25:00 am »
Quote
I just can't quite picture in my mind whether the key-ways would come out correctly
Which, after thinking about it, and staring at connector data-sheets, they won't. Humm, back to the drawing board.

Anyway while I'm thinking about extender cards some more teardown photos. As usual click on the photo for a more detailed version.

First of all the CPU card from my 3382 - this looks to be slightly newer than the card from the 3394. In fact the 3394 card doesn't really look to be the same vintage as the rest of the 3394 so might not be the original.

The silk screen has quite a bit of useful info with a number of test points identified.



Not sure what D1402 is but I suspect that the CURCON chip can be placed on the CPU board for some variants as there is also annotation for some of the missing chips suggesting that this card can have a text RAM and X&Y DACs.



In fact these are populated on the 30[89]x series which are analogue-only 100MHz and 200MHz 'scopes as can be seen in this picture of a CPU card from a PM3082 "borrowed" from an ebay listing.



The A8 card is rather more densely packed than the CPU card - but to be fair it does contain all of the DSO functionality for the 'scope. Front and back views




This card is quite complex and has several custom IC's - so that you can see what's on the card here is an annotated shot.



With DARLIC's and UFO's it's clear that the design team was just a bunch of Sci-Fi geeks  8)

The next step, I think, is to sort out an extender card otherwise it's going to be very difficult to look at any signals and I think that I really need to be able to probe the card powered up. A quick look suggests the BI1 line is not stuck at a '1' but, equally the signals look a bit odd and I need to have a think about what is actually happening there.
« Last Edit: December 20, 2014, 12:28:02 am by grumpydoc »
 

Offline HighVoltage

  • Super Contributor
  • ***
  • Posts: 5535
  • Country: de
Re: Repair: PM3394 - "Can't communicate with UFO"
« Reply #30 on: December 20, 2014, 11:07:39 am »
With DARLIC's and UFO's it's clear that the design team was just a bunch of Sci-Fi geeks  8)

A long time ago, I met one guy from the original design team of all of these PM33xx series scopes.
The development was done here in Hamburg / Germany at the Philips medical research facility and he
told me that the team was hand picked to make the "ultimate" scope in those days.

One guy I still know here in Germany, was an apprentice in this very design team and he was definitely
also a SiFi geek.

After the development in Germany, the production was done at the Philips facility in Almelo / Netherlands.
Years later I met a guy in Almelo, who worked there and assembled these scopes in the 1990s

The world is small.

There are 3 kinds of people in this world, those who can count and those who can not.
 

Offline grumpydocTopic starter

  • Super Contributor
  • ***
  • Posts: 2906
  • Country: gb
Re: Repair: PM3394 - "Can't communicate with UFO"
« Reply #31 on: January 06, 2015, 10:11:07 pm »
Oh, blow - wasn't keeping my eye on ebay as much as I should have done over Christmas - these would have been just the ticket.



Rats   :rant:

Only went for €51.50 as well.

 

Offline HighVoltage

  • Super Contributor
  • ***
  • Posts: 5535
  • Country: de
Re: Repair: PM3394 - "Can't communicate with UFO"
« Reply #32 on: January 06, 2015, 11:09:11 pm »
If you still need that board, I have the one from the broken unit.
Let me know, if you are interested
There are 3 kinds of people in this world, those who can count and those who can not.
 

Offline grumpydocTopic starter

  • Super Contributor
  • ***
  • Posts: 2906
  • Country: gb
Re: Repair: PM3394 - "Can't communicate with UFO" (solved)
« Reply #33 on: November 08, 2015, 11:08:41 pm »
This is a bit of a long post, but by way of resurrecting this thread with an update.....

It doesn't seem like nearly a year since I looked at this 'scope, probably because it has been quite a busy one in which a much larger "spare time project" has sucked in almost all of my spare time and effectively left none, or very little,  for electronics.

However I was spurred on to get this on the bench again following the opportunity to pick up two more of the Phillips Combiscopes - a 3394B which I have coveted for the bench for a while and a 3394A. Of course I also had the 3380B digitiser card that High Voltage sent me so I now have plenty of opportunity to narrow faults down by swapping components.

The "A" was said to be working, but making funny noises when adjusting the trigger level and the B apparently would not to boot, but I always like a challenge.

Sadly the "B" suffered the same problem as the 3380B High Voltage bought, though it was not quite as damaged. On opening the box the sight of lots of loose polystyrene chips greeted me along with two 'scopes that had barely any other protection (a bit of bubble wrap stuffed over the front panels). The CRT of the "B" had disappeared into the case. :(

As usual all pics are links to a larger version.



Fearing the worst I was actually pleasantly surprised to find that the CRT neck was not broken but the chassis had split



and the CRT mounting was completely smashed allowing the CRT to move back a couple of inches.



There is supposed to be a clip each side like this



Thankfully in this case the ebay seller was very apologetic and we quickly came to an agreement on a partial refund.

In fact the "A" seems to work OK, the only noise I can hear adjusting the trigger level is the normal audible click that these 'scopes make adjusting any of the rotary controls and it seems to pass a basic check of displaying a simple trace. It needs a bit of a tidy/clean-up and the inevitable battery leakage clearing out of the battery compartment but, barring surprises, looks fine.

Anyway to get back to the repair - if you recall I was stuck on the issue of riser cards. Digging through my collection of "useful things" I found a Pickering RF switch system I acquired at a Radio Rally a few years back - I liked the card case it was in and there were lots of nice RF relays left (though the really juicy ones had already been stripped).

It had a DIN 41612 backplane, but the really interesting thing was that the sockets were actually not soldered but more cold-welded into place by the through hole plating. It was possible to lever off the socket to leave the pins sticking up out of the board, then push through each pin from the back before finally putting them back in the housing.



I could then stack these to form an extended connector which would allow the board to be accessed, here are the connectors on the board



and here is the board in the 'scope



It's a bit delicate but you can see that the 'scope quite happily runs like this



So, that was the riser card (or extend-a-nector) sorted so now I could try to probe some signals.

To recap, having fixed the CPU<->Front panel fault the remaining problems were very dim text which could not be adjusted by the text intensity control and an "DSP communications error" message on the screen at boot.

The first check was to plug in the digitiser from the 3380B - apart from the fact that I got an "A8 board wrong hardware ID", this appeared to work - in that it allowed the text intensity to be varied and would happily display four traces in both digital and analogue mode.

That confirmed a fault in the original digitiser board. At this point I considered just using the board from the 3380B as it works. That might sound a bit odd as the 3380B is a two channel 100MHz 'scope but in fact there are only a few real differences between the cards. For a start it might be that there is no 2-channel version of the DSO board - certainly the board High Voltage sent has components mounted for all 4 input channels so that just leaves the bandwidth difference.

Looking over the schematics only the front end has a 100MHz and a 200Mhz version and looking in more detail at those it appears that just 7 components per channel differ - shown in blue on the 2nd (100MHz version) diagram below.

200MHz DSO front end:


100MHz DSO front end:


So, it would not be impossible to upgrade the board to 200MHz, especially as I had a donor with just the right components in situ. However I thought it would be worth persevering with the fault finding.

I was originally suspicious about the intensity control DAC and multiplexor shown below



Now that I was able to probe some signals I found that the two select lines BI0 and BI1 were always low - this puzzled me quite a bit until I realised that in analogue mode the trace is switched between text and signal by a different signal and only the normal text intensity is used - the other intensities here are for DSO mode.

That exonerated the two control lines and probably the 74HCT4052 so I checked the DAC output to find that it did not vary with the text intensity control on the faulty card but did on the 3380B card. Swapping the DACs between the two boards did not fix the problem so it was not the TDA8444's.

However, if it's not the DAC then the I2C bus falls under suspicion - but if that was hosed I couldn't understand why anything worked because all sorts of control and select signals hang from it.

Looking at the schematics afresh, the DSO board has its own  I2C bus so, along with the error message about the main CPU not being able to talk to it properly the finger of doubt pointed very clearly at the DSP.

Sure enough moving the DSP from the faulty 3394 card to the 3380B card brings the fault with it so it looks very much as the DSP is hosed. The DSP itself is a mask programmed version so the only way to obtain a replacement will be from another one of these 'scopes. Before I put the good DSP into the faulty board I want to make sure that all the voltages on the socket are OK and there isn't another fault on the board which "killed" the DSP but it looks as though the faults have now been traced to their source.

In some ways it ties in with the broken chassis. I have four of this series of 'scope - the 3382 that I regularly use, a 3394, 3394A and 3394B so I have enough to get three of the four working. I still need to see whether there is an issue with the 3394B CPU card but could always move its flash ROMs to one of the 338x boards (the 3394B CPU board would be preferable, though, as it has the GPIB hardware fitted). The 3394B DSO card has the extended maths** and extended RAM options.

The other decision I have to make (assuming nothing else is faulty) is how I want to transplant bits. I can either leave the 3382 and 3394A as is and transplant the 3394B cards to the 3394 chassis (at least the DSO board, CPU board, external trigger and Y out options as well as the front panel to get the "Vert Menu" button) which will leave me a slightly chimeric "B" for the bench and a 3394A and 3382 to sell.

Or, alternatively I can do the above and then transplant the 3394 boards into the 3382 chassis to leave me a 3394A and a plain 3394 to sell - which will be worth more than the 3382.

Finally there is also the option of copying the firmware from the "B" to the "A" CPU board. I don't think it will go on the plain 3394 as the front panel is different. I need to have a good look at the service manuals to see what hardware changes were actually made from revision to revision.


** Looking over the schematics I spot a resistor from 5V/ground feeding a pin on the DSP and labelled "option" - I wonder if all the DSPs have the maths option and it just needs to be enabled.
« Last Edit: November 08, 2015, 11:33:36 pm by grumpydoc »
 

Offline HighVoltage

  • Super Contributor
  • ***
  • Posts: 5535
  • Country: de
Re: Repair: PM3394 - "Can't communicate with UFO" (solved)
« Reply #34 on: November 09, 2015, 12:36:18 pm »
It loos like you are making great progress.

Keep in mind that the different models might have different tubes, if you are exchanging parts.
Philips made the tube in 3 speeds, the 70MHz, 100MHz and 200MHz versions.

There are 3 kinds of people in this world, those who can count and those who can not.
 

Offline grumpydocTopic starter

  • Super Contributor
  • ***
  • Posts: 2906
  • Country: gb
Re: Repair: PM3394 - "Can't communicate with UFO" (solved)
« Reply #35 on: November 09, 2015, 01:52:50 pm »
It loos like you are making great progress.

Keep in mind that the different models might have different tubes, if you are exchanging parts.
Philips made the tube in 3 speeds, the 70MHz, 100MHz and 200MHz versions.

Yes, I'd considered that I might have to swap the CRTs as well if I wish to upgrade a 100MHz 'scope to 200MHz.

Actually I suspect that it would be more effort than its worth as everything except the PSU and backplane will need to be swapped. Also as I will want to sell the result I don't really want to explain why the 'scope says 3394 on the front but 3382 on the back...

However upgrading the DSO board to 200MHz looks so plausible I'm half tempted to do it just to see how it goes.

In fact it would be most interesting to see whether you could take a 100MHz 'scope and upgrade to 200MHz just with the relevant component changes. Unfortunately it's not an experiment I'm going to try - partly because the full set of differences is quite large - changes to the front end for bandwith and also to add 50ohm termination and then changes in the final X-Y-Z amp board and also the DSO front end but mainly, and this is the total killer, the delay line is different so you would always need a 200MHz donor 'scope anyway.

 

Offline grumpydocTopic starter

  • Super Contributor
  • ***
  • Posts: 2906
  • Country: gb
Re: Repair: PM3394 - "Can't communicate with UFO" (solved)
« Reply #36 on: November 09, 2015, 09:05:30 pm »
OK, well, not out of the woods yet.

I have the 3394B CPU card and DSO in the chassis. The CPU actually boots fine, the self tests pass and the 'scope will display a trace but the amplitude is off. I expected this because I have not swapped the A1 board so the calibration constants will be wrong, the "screen cal" is miles off as well.

However it will not complete an autocal giving "Calibration Error 00c"

HighVoltage (or anyone) - is there any reference as to what "Calibration Error 00c" is? It does not appear to be in the service manual, nor any other auto-calibration error codes, just the slightly unhelpful paragraph

            "Watch the CRT and check that no errors are reported. If errors are mentioned,
the oscilloscope will need corrective maintenance. The error number
indicates in what part of the oscilloscope the fault may be expected."

But, AFAICS no description of the possible errors is given, Chances are I just need to swap the A1 board in from the 3394B but it would be nice to understand what is happening.

Also some of the menus have a noticable "shimmer" (but curiously not all) - think I need to check the PSU for ripple.
 

Offline HighVoltage

  • Super Contributor
  • ***
  • Posts: 5535
  • Country: de
Re: Repair: PM3394 - "Can't communicate with UFO" (solved)
« Reply #37 on: November 10, 2015, 06:49:16 pm »

HighVoltage (or anyone) - is there any reference as to what "Calibration Error 00c" is?

I think to remember that I had this error before, when the manual calibration was far off scale.
Auto Calibration only works if you are not too far off with the calibration.
You probably have to do a complete manual calibration first.
The access code in the utility menu is: "32415"

There are 3 kinds of people in this world, those who can count and those who can not.
 

Offline grumpydocTopic starter

  • Super Contributor
  • ***
  • Posts: 2906
  • Country: gb
Re: Repair: PM3394 - "Can't communicate with UFO" (solved)
« Reply #38 on: November 10, 2015, 08:20:35 pm »
Thanks, that's probably not a bad idea. However, I am going to swap the A1 and A2 boards as well as the front panel before I do so.

There are a couple of reasons for this. First, having trawled through the schematics, there are certainly minor differences between the 3394 A1 board and 3394B A1 board so it will be less of a chimera with all of the 3394B boards. Secondly the stored cal constants in the CPU board should match the 3394B A1 board as they are from the same 'scope. Thirdly you only get a limited number of goes at storing the cal in flash so I might as well do all the board swaps before the calibration (although the manual states the cal data will be held in battery backed RAM as long as there are batteries in the 'scope).

Thanks for the magic number - I think you posted it earlier in the thread as well.

Finally don't forget that neither of the donor 'scopes were known to be working in recent history so (more) faults are a possibility.

 

Offline grumpydocTopic starter

  • Super Contributor
  • ***
  • Posts: 2906
  • Country: gb
Re: Repair: PM3394 - "Can't communicate with UFO" (not quite solved)
« Reply #39 on: November 14, 2015, 04:19:29 pm »
Well, swapping the boards was, ahem, interesting.

In the 3394B chassis the plastic strain relief inserts in the 8 coax cables leading to the digital board had degenerated and become brittle - to the point that they crumbled as soon as they were touched, in fact most had already fallen apart even before being handled. I now have black plastic dust all over the workbench :(

Also I have fallen out of love with the latching .1" header plugs and sockets that Phillips used - it is rather difficult to get the plug out of the header without breaking it.

Unfortunately it still won't autocal - giving error 00e now.

However I think I see why, it is impossible to get the trace wide or high enough in the screen calibration section even with full gain - it's only slightly off but it's definitely off which is, I suspect, why it won't self calibrate.

It does not depend on which A2 board is in the 'scope, so I'm thinking the PSU or CRT itself. I need to check some voltages.

EDIT: Grrr, why don't these 'scopes have a set of PSU voltage test points  :palm:
« Last Edit: November 14, 2015, 04:42:18 pm by grumpydoc »
 

Offline grumpydocTopic starter

  • Super Contributor
  • ***
  • Posts: 2906
  • Country: gb
Re: Repair: PM3394 - "Can't communicate with UFO" (not quite solved)
« Reply #40 on: November 15, 2015, 11:14:01 pm »
EDIT: Grrr, why don't these 'scopes have a set of PSU voltage test points  :palm:
As it happens they are tolerably easy to find on the unused A9 connector

I am inclined to again speculate what they intended to put there - I wonder if they had plans to do an MSO variant because there is a rectangular hole in the chassis under the CRT which looks like an 0.1" connector would fit nicely for connection of a set of digital channels. That said there's no easy route for a ribbon cable from there to an "A9" board.

But I digress.

The PSU voltages check out, in particular the ±58V rails don't look too far out. Haven't checked ripple but the 'scope isn't especially behaving as though there were excessive ripple on the PSU rails.

Looking at the output from the final X amplifier I get the same sort of sweep signal that I get on a working 'scope and the gain control adjusts from a roughly 40V swing to 48V (identical to the good 3394A) which suggests that the CRT is somehow less sensitive to deflection voltage.

I'm not sure how this could happen - except, that is, unless the CRT voltages are off - if the final anode voltage is higher than 14kV for instance it makes the beam harder to deflect.

So the conundrum at present is how to safely measure the voltages - the -2200V is probably the one to go for. I have a 40kV probe but it's a bit chunky and will require a couple of minutes thought as to how to safely prod the -2200V line with it.

Does anyone have any other suggestions as to why I'm not getting the expected deflection despite what looks like adequate drive at the plates?

EDIT: Hmmm, the -2.2kV checks out, scratching head now  :-BROKE
« Last Edit: November 16, 2015, 10:25:48 pm by grumpydoc »
 

Offline grumpydocTopic starter

  • Super Contributor
  • ***
  • Posts: 2906
  • Country: gb
Re: Repair: PM3394 - "Can't communicate with UFO" (solved)
« Reply #41 on: April 10, 2016, 10:19:08 pm »
However upgrading the DSO board to 200MHz looks so plausible I'm half tempted to do it just to see how it goes.

It's a while since I've added to this thread but sometimes real life intervenes and keeps me from tinkering for long periods.

I had a go at upgrading a 100MHz DSP board which did not go well, however I think I just tried to do too much changing the RAM and the input components together - the result was an unstable card that would not complete calibration so I might have to try backing out some of the changes to see what went wrong.

However since then I have had chance to try to upgrade a DSP card from a 3384B - that already has the extended memory so just the card ID and bandwidth needs to be addressed and I decided to make small changes with checks along the way to see what happened.

I have also ascertained that the DSP is not a mask programmed part. Presumably the main CPU writes the DSP code into its PRAM which is good news as TMS320C25's can still be found on ebay.

There are two sets of resistors which tell the firmware what bandwidth and memory options are on the card - R8901/2/3 and R8731 (one of the four is fitted) on the "large component" side of the board and R8349/8359/8360/8365 on the rear of the board. If these are set appropriately the board will "work" without an error message in a higher bandwidth 'scope (e.g using a 3384[AB] card in a 3394[AB])

As well as the changes I identified in the front end there are also a couple of changed values in the sym/asym converter - possibly to do with biasing the amplifiers in the MASPU, there might also be differences in the input biasing which are not documented in the service manual (i.e I found values not corresponding to the schematics).

Having done this on the 3384B card I was pleasantly surprised to find that even without changing the input RC filter values the DSP bandwidth was within 3dB at 200MHz, I need to check this out further but I am wondering whether, in practice, it is even necessary to change anything other than the board ID to "upgrade" from 100MHz to 200MHz.
 

Offline HighVoltage

  • Super Contributor
  • ***
  • Posts: 5535
  • Country: de
Re: Repair: PM3394 - "Can't communicate with UFO" (not quite solved)
« Reply #42 on: April 12, 2016, 08:30:27 am »
You have figured out more about these scopes than anyone else I know.
Its pretty impressive how you keep going on this one.
There are 3 kinds of people in this world, those who can count and those who can not.
 

Offline grumpydocTopic starter

  • Super Contributor
  • ***
  • Posts: 2906
  • Country: gb
Re: Repair: PM3394 - "Can't communicate with UFO" (not quite solved)
« Reply #43 on: April 12, 2016, 01:37:18 pm »
You have figured out more about these scopes than anyone else I know.
Its pretty impressive how you keep going on this one.
I think if I were able to spend time on the bench every day I would have packed it up to find room for something more interesting and less recalcitrant but as it is when I do find some time it's just sort of still sitting there annoying me that I couldn't fix it  :-BROKE

Anyway I quite like these 'scopes and this was all to do with the fact that I had a 3382 which I used as my main 'scope but I was sometimes irritated by the lack of full attenuation options on Ch3 and Ch4 so had been on the look out for a 3384 or 3394 - preferably the "B" revision.

However I don't think that they are worth the prices that come up on ebay - at the moment, for instance, the most sensibly priced is a 3394B at £500. In fact a while ago there was a guy in my home town who had a whole stack of 3394's which he listed around the £750 mark - I tried bargaining him down but he would not budge much. In the end it seems that he was right as I think he sold them all and if he sold the first couple at the inflated prices he was asking I can't see that he would have caved in on the last ones.

So, I bought at the lower end of the market - the first one was a 3394 in which I managed to fix one fault (front panel communications) but not the other (dead DSP communications). Then a 3394B (smashed chassis, Ch 3&4 on the A8 board hosed) and 3394A (OK, although I think that the CRT is slightly gassy) and finally a 3384B which had a known smashed chassis but which also wasn't packed carefully and had a completely disintegrated chassis when it arrived. The A8 board was OK apart from one broken SMD transistor and I'm hopeful the other boards will be OK (bent RS232 connector in the CPU board is all I've spotted otherwise).

With luck out of that lot and the original 3382 I will have a working 3384B (well, with a 3382 A8 board), 3394A and 3394B - hopefully if I sell two out of the three that will pay for the lot and leave me with a "free" 'scope. Three out of the five was only ever the best I was going to get as two are physically damaged. I hastened a few A8 boards to their graves  :( but they were mostly already on the way out. The one I'm annoyed about is the 3370 A8 board that HighVoltage let me have which was working and now isn't - I might go back for another look at it though.

At some point I might try reverse engineeing the firmware but that is going to be a *long* project.
 


Share me

Digg  Facebook  SlashDot  Delicious  Technorati  Twitter  Google  Yahoo
Smf