Hi all,
I have recently acquired a Tek TDS 220. The calibration is no longer OK and the CH1 connector was loose. I fixed it with fresh SnPb solder.
This scope's firmware is v2.03
When powered up, it shows a message: CH1 CH2 Acquisition FAILED

The error log shows numerous errors "6 DI Line Trigger Diag failed":

Anyway, the scope seems to work correctly.
Something is strange, the Probe Comp. signal is at 3 kHz instead of 1 kHz:

The service manual is clear about the Probe Comp signal, it must be at 1 kHz:

I have tracked the signal on the CPU board, this probe comp signal is generated directly by one of the ASIC. There is only one tristate buffer and some resistors between the ASIC output and the probe comp output on the front panel.
I have also checked the power supply unloaded (i.e. alone, without the LCD and main board) and also loaded.
Here are the results:
| Pin | Description | No load | With load |
| Pin 1 | 4.85 Vdc to 5.15 Vdc | 5.01 V | 4.98 V |
| Pin 2 | 4.85 Vdc to 5.15 Vdc | 5.01 V | 4.98 V |
| Pin 3 | GND | GND | GND |
| Pin 4 | -4.35 Vdc to -5.15 Vdc | -4.6 V | -4.79 V |
| Pin 5 | -23 Vdc to -25 Vdc | -23.8 V | -24.2 V |
| Pin 6 | GND | GND | GND |
| Pin 7 | 1,4 Vpkpk to 5 Vpkpk, 47 to 63 Hz | 1 Vpkpk, 50 Hz | 0.8 Vpkpk, 50 Hz |
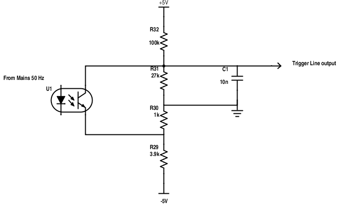
Pin 7 is for the line trigger. The problem must be on the power supply but I don't really understand how this signal can even reach 1,4 V pkpk or even 5 Vpkpk since it is made by a phototransistor and a resistor network derivated from the 5 VDC.
Any help will be appreciated.
Some people with a TDS 200 series with firmware v2.03 or higher could check the Probe Comp signal is at 1 kHz or 3 kHz?
Thanks a lot.