Author Topic: DCF77 transmitter  (Read 8756 times)

0 Members and 1 Guest are viewing this topic.

Offline MitiTopic starter

  • Super Contributor
  • ***
  • Posts: 1668
  • Country: ca
DCF77 transmitter
« on: December 16, 2022, 01:26:42 pm »
Hi Engineers,

I have a DCF77 clock I brought from Europe when I moved to Canada and it drifts quite significantly. I want to make a transmitter so I can restore its  glorious accuracy but I just need it to cover my basement and not going out with any significant power. I found a sketch for ESP32 and it works well for baseband, but on the RF side I'm not that versed. At this moment I've set my FY6600 to 77.5KHz, sine, 3V amplitude and I'm using a ferrite antenna, in the attachment, in a tuned series RLC and I modulate it ASK from the ESP32. It works well at about 4-5 meters or less and I'm ok with that but I want to make something more permanent, put it in a box and forget about it. I want to pick your expert brains for what would be the most efficient antenna/circuit that I can use to have the most efficient transmitter, with the least power that, preferably, stays as much as possible in my basement but is reliable enough to set my clock every time. You get the idea. I'm thinking of using one of the boards in attachment to make a sine wave and modulate it and if the antenna is ideal, the AD8051 that the board comes with should be more than enough. It also has a potentiometer so I can control the level nicely. What do you think?

Cheers,
Miti
« Last Edit: December 16, 2022, 10:08:51 pm by Miti »
Fear does not stop death, it stops life.
 

Offline berke

  • Frequent Contributor
  • **
  • Posts: 272
  • Country: ca
  • F4WCO
Re: DCF77 transmitter
« Reply #1 on: January 03, 2023, 11:58:58 pm »
I'd say run a loop of thick wire around your basement, say AWG14 or thicker, make it resonant and drive it with a power MOSFET.  Reduce power until Industry Canada vans stop showing up.  How big is your basement?
 

Offline Kleinstein

  • Super Contributor
  • ***
  • Posts: 16194
  • Country: de
Re: DCF77 transmitter
« Reply #2 on: January 04, 2023, 01:19:21 pm »
A loop around the basement would have a mainly vertical magentic field inside. This would not work well with most clocks - as they have the ferrite rod horizontal.
So it is more a relatively large loop mounted with a horizontal axis.

There is usually no need to run with much power, as the transmission is near field. It is actually a good thing as this way there is not much interference in the far field.
A relatively thick wire and resonance helps.

Ideally there is not need to run the signal all day the clocks usually only synchronize in a relatively short window at night (less interference).
 

Offline berke

  • Frequent Contributor
  • **
  • Posts: 272
  • Country: ca
  • F4WCO
Re: DCF77 transmitter
« Reply #3 on: January 04, 2023, 05:45:59 pm »
A loop around the basement would have a mainly vertical magentic field inside. This would not work well with most clocks - as they have the ferrite rod horizontal.
True but only exactly in the plane of the loop.  I'd imagine the loop would be either on the floor or on the ceiling while the clock would be at an intermediate level; the field lines will circle the coil wire.

Quote
So it is more a relatively large loop mounted with a horizontal axis.

But what happens if the rod is orthogonal to the coil?

In the end it all depends on the "link budget", power and distance vs. sensitivity and the fringe fields.

Maybe Miti should start with a small loop and enlarge it until it works?

Quote
There is usually no need to run with much power, as the transmission is near field. It is actually a good thing as this way there is not much interference in the far field.
A relatively thick wire and resonance helps.

I find that a bit vague, do you know how many amps would be enough?  I'd assume that Miti is not happy with the range he gets from driving a coil directly from the ESP32, even though that is "not much" too but is not enough.

I think the needed field strength can be estimated based on the known power of the DCF77 transmitter and its coverage.  From there the required coil current can be deduced, at least as an order of magnitude.

Quote
Ideally there is not need to run the signal all day the clocks usually only synchronize in a relatively short window at night (less interference).

That's a good point.
 

Offline MitiTopic starter

  • Super Contributor
  • ***
  • Posts: 1668
  • Country: ca
Re: DCF77 transmitter
« Reply #4 on: January 06, 2023, 01:16:35 am »
I'd say run a loop of thick wire around your basement, say AWG14 or thicker, make it resonant and drive it with a power MOSFET.

Sorry, that's not acceptable. It has to be as small and discrete as possible.
I ran the setup that I showed in the first post since mid December and it works well. I'm waiting for my small generator board to put everything in a small box, see how it works.

Ideally there is not need to run the signal all day the clocks usually only synchronize in a relatively short window at night (less interference).

My clock tries to synchronize at ten to the hour, every hour, and keeps trying for about 5 minutes. The software on the ESP32 can be configured to go to sleep and wake up any time so I set it to wake up at xx:49 and go to sleep at xx:00. I could make it synchronize once a day and I think the drift in one day would be acceptable, the issue is that if it fails to find a signal to sync, the antenna sign that shows the sync status goes away, so I wouldn't know if it is accurate or not. Therefore I decided to transmit the sync signal every hour.
Fear does not stop death, it stops life.
 

Offline max-bit

  • Frequent Contributor
  • **
  • Posts: 701
  • Country: pl
Re: DCF77 transmitter
« Reply #5 on: January 14, 2023, 07:17:22 pm »
Some time ago I built such a transmitter with a power of 0,5 - 10 W (adjustable)
The transmitter was steered from the "second" DCF77 signal generator

The amplifier has its own 77.5 kHz carrier generator and a modulation circuit.

The amplifier is based on the Audio amplifier working in class D and it is the TPA3128 system, then there is a 50 Ohm impedance matching system.
This is connected to an antenna made of a loop of wire along with a matching capacitor
It is a antenna (loop) system of a coil with an inductance of 420 uH and a capacitor of 10 nF

With a power of 5W, you can easily get a range of 20 - 50m (a lot depends on the building (types of walls) EMI interference (from other devices, power supplies, etc.)
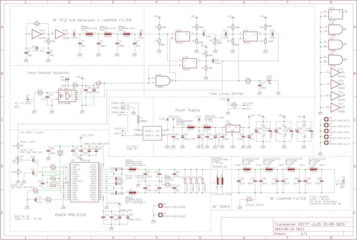
Here is the diagram (If they are interested, more will be provided....)

 
The following users thanked this post: Miti, croma641, edavid, pardo-bsso, ledtester

Offline MitiTopic starter

  • Super Contributor
  • ***
  • Posts: 1668
  • Country: ca
Re: DCF77 transmitter
« Reply #6 on: January 21, 2023, 10:13:30 pm »
Thanks max-bit, it is very interesting but also very complicated.
I received my boards and this is what works very well for me at a distance of 3 - 4 meters.

https://learn.adafruit.com/adafruit-huzzah32-esp32-feather
https://www.aliexpress.com/item/4000353673904.html?spm=a2g0o.order_list.order_list_main.16.2b221802o2v8iB
« Last Edit: January 21, 2023, 10:16:36 pm by Miti »
Fear does not stop death, it stops life.
 
The following users thanked this post: izabi

Offline james_s

  • Super Contributor
  • ***
  • Posts: 21611
  • Country: us
Re: DCF77 transmitter
« Reply #7 on: January 22, 2023, 01:20:00 am »
I would have thought 5W would go for miles, I don't remember what the power output is but WWV broadcasts on 60kHz from Colorado and I get a reasonable signal way out here on the west coast. A 5W CB radio at 27 MHz will go several miles and I thought lower frequencies typically travel further.
 

Offline edavid

  • Super Contributor
  • ***
  • Posts: 3693
  • Country: us
Re: DCF77 transmitter
« Reply #8 on: January 22, 2023, 02:28:59 am »
I would have thought 5W would go for miles, I don't remember what the power output is but WWV broadcasts on 60kHz from Colorado and I get a reasonable signal way out here on the west coast. A 5W CB radio at 27 MHz will go several miles and I thought lower frequencies typically travel further.

WWVB has a 70kW ERP transmitter and an enormous antenna.

http://en.wikipedia.org/wiki/WWVB

Any VLF antenna that will fit in a basement is going to be extremely inefficient.
 

Offline MitiTopic starter

  • Super Contributor
  • ***
  • Posts: 1668
  • Country: ca
Re: DCF77 transmitter
« Reply #9 on: February 06, 2023, 02:30:12 pm »
And here’s the final product.
Fear does not stop death, it stops life.
 
The following users thanked this post: edavid, izabi

Offline max-bit

  • Frequent Contributor
  • **
  • Posts: 701
  • Country: pl
Re: DCF77 transmitter
« Reply #10 on: February 06, 2023, 04:54:21 pm »
How can you post the source code, wiring diagram
Might be of use to someone...
 

Offline MitiTopic starter

  • Super Contributor
  • ***
  • Posts: 1668
  • Country: ca
Re: DCF77 transmitter
« Reply #11 on: February 07, 2023, 12:45:33 pm »
How can you post the source code, wiring diagram
Might be of use to someone...

I'll draw something, let me find some time.
Fear does not stop death, it stops life.
 

Offline MitiTopic starter

  • Super Contributor
  • ***
  • Posts: 1668
  • Country: ca
Re: DCF77 transmitter
« Reply #12 on: February 18, 2023, 05:49:06 pm »
Here are the Arduino sketch and the 3D files if someone wants to make this project.
I think I posted links to the boards before but here they are again, the final configuration:
https://www.aliexpress.com/item/4000353673904.html?spm=a2g0o.order_list.order_list_main.37.21ef1802LghkjX
https://www.aliexpress.com/item/32959541446.html?spm=a2g0o.order_list.order_list_main.32.21ef1802LghkjX      the 30 pin version.

The antenna is a ferrite with about 500uH coil and a series capacitor tuned to 77.5KHz, you need to experiment, for me the cap is about 8nF.
On the AD9833 signal generator board you need to replace the 0Ohm resistor at the output of the SOT23-5 amplifier with a 2.1Ohm 1206 resistor or close.
The antenna is connected to the PGA out of the generator.
The ESP32 board needs a 1uF ceramic capacitor on the EN (RESET) line to GND for reliable self reset, you can see it by the EN push button in the above picture. The connections are:

ESP32 pin                    AD9833
1 - EN to 8 - D25 (This is to self reset the ESP32, otherwise the time will drift)
15 - VIN                      VCC (5V USB)
14 - GND                     GND
9 - D26                        FSY
10 - D27                      CS
11 - D14                      Pin 6 PCP41010 SOIC8
24 - VSPI_CLK              CLK
30 - VSPI_MOSI            DAT

Enjoy!

Cheers,
Miti
« Last Edit: February 23, 2023, 11:20:38 am by Miti »
Fear does not stop death, it stops life.
 
The following users thanked this post: edavid, izabi

Offline izabi

  • Newbie
  • Posts: 2
  • Country: fr
Re: DCF77 transmitter
« Reply #13 on: September 20, 2025, 12:10:36 pm »
Hello Miti from France and thank you very much for your posts.
I have a few DCF77 clocks, they can get the signal from Germany only from outside so every time the summer time or winter time comes, I put the clocks on the balcony and wait for a few minutes. But after a few weeks, the clocks start to drift and it's time to put them outside again. I would like to keep my clocks synchronized even from inside. So I have tried to reproduce your work.
For me your project works but only at a distance of 30 centimeters, far from the 3 to 4 meters I was expecting. What am I missing?

ESP32 board:
connectionPinPinconnection
ESP32 - 8 - D251END2330AD9833 - DAT
2VPD2229
3VINTX028
4D34RX027
5D35D2126
6D32D1925
7D33D1824AD9833 - CLK
ESP32 - 1 - EN8D25D523
AD9833 - FSY9D26D1722
AD9833 - CS10D27D1621
AD9833 - Pin 6 PCP41010 SOIC811D14D420
12D12D219
13D13D1518
AD9833 - GND14GNDGND17
AD9833 - VCC (5V USB)15VIN3V316
https://www.etechnophiles.com/wp-content/uploads/2021/02/ESP32-Board-PINOUT-with-30-pins.png

AD9833 board:
GND - antenna - 6.8 nF capacitor - 1 Ohm resistor - PGA

The antenna is a ferrite 50 x 7 x 3 mm, bought from Aliexpress. I don't know the characteristics of the coil.
I have a PicoScope 2000 Series to measure signals.

At the antenna terminals, i have a sine signal, frequency is 77.5 kHz and voltage is 1.8 V peak to peak, is it enough?

Also in your code:
#define LEDBUILTIN 2      // This is the pin for a ESP32 Dev Module 30 pin from Aliexpress
#define MODULATION 12 => Is it used for debug?
#define MOD_PIN 14       => D14, pin 11
#define RESPIN 25          => D25, pin 8
#define FNC_PIN 26        => D26, pin 9
#define MCP41_CS 27     => D27, pin 10
#define ANTENNAPIN 15   => I don't understand what is this 15. Do I have to change something on my wiring?
« Last Edit: September 20, 2025, 12:49:07 pm by izabi »
 

Offline MitiTopic starter

  • Super Contributor
  • ***
  • Posts: 1668
  • Country: ca
Re: DCF77 transmitter
« Reply #14 on: September 23, 2025, 09:51:03 pm »
Hi Izabi,

Most likely you need to tune the antenna. Apply a 77.5 KHz signal and play with the series capacitor until you get the maximum signal on the coil.
Fear does not stop death, it stops life.
 

Offline izabi

  • Newbie
  • Posts: 2
  • Country: fr
Re: DCF77 transmitter
« Reply #15 on: October 11, 2025, 12:17:42 pm »
Thank you.
I am able to synchronize a clock at 5 meters (maybe more) with 0.33 ohm resistor and 3.3 nF capacitor (value defined by Grok) in series. The coil insulation had to be scratched at the terminals, it works far better. ;D The inductance is about 1.3 mH. The antennas are parallel.
In a few weeks, I will try with a longer ferrite rod, a custom-made inductance and an amplificator. Stay tuned.
« Last Edit: October 13, 2025, 08:23:51 pm by izabi »
 

Online RoGeorge

  • Super Contributor
  • ***
  • Posts: 7850
  • Country: ro
Re: DCF77 transmitter
« Reply #16 on: October 13, 2025, 06:25:04 pm »
The funniest way I've seen on a blog (but I didn't try) was to use nothing but a PC program, playing a specially composed audio waveform, and the speakers will play the role of a transmitting antenna.  The clock is supposed to receive the 3rd or the 5th? harmonic.

Found the saved links, they are still available.  :D
Main article:  https://bastianborn.de/radio-clock-hack
Derivative work:  https://github.com/gkowal/dfc77-sync
« Last Edit: October 13, 2025, 06:43:24 pm by RoGeorge »
 

Offline rteodor

  • Frequent Contributor
  • **
  • Posts: 351
  • Country: ro
Re: DCF77 transmitter
« Reply #17 on: October 13, 2025, 09:54:14 pm »
The funniest way I've seen on a blog (but I didn't try) was to use nothing but a PC program, playing a specially composed audio waveform, and the speakers will play the role of a transmitting antenna.  The clock is supposed to receive the 3rd or the 5th? harmonic.

Found the saved links, they are still available.  :D
Main article:  https://bastianborn.de/radio-clock-hack
Derivative work:  https://github.com/gkowal/dfc77-sync

Does not seem to be working for me. The wav file looks like a valid DCF77 signal, I can see that in Audacity. On an external USB sound card I can even hear the ASK clicks. They are quite dim. When I look with the scope at the soundcard or audio amplifier outputs I can not see the the same thing as in wav file. Only little spikes from ASK switching. Amplitude measured by scope 80mVpp on one SC and 240mVpp on the other. Frequency, all over the place.

TBH, I did expect it not to work because I suppose the output is LP filtered.

2676397-0

2676401-1

LE: What I measured yesterday (it was too late) was a 48MHz freq, probably USB leakage. So nothing on the audio output except the small ASK clicks.
Audacity shows a clean and strong 77508 Hz tone (within the transmission between two bits). I do not understand the samples shown above, they look like a 5-phase power sinusoids. Maybe it used 5 signals to increase the DSP ?
« Last Edit: October 14, 2025, 06:30:37 am by rteodor »
 

Online RoGeorge

  • Super Contributor
  • ***
  • Posts: 7850
  • Country: ro
Re: DCF77 transmitter
« Reply #18 on: October 14, 2025, 07:34:27 am »
I don't know, no idea how it is supposed to work.

Found that project some time ago, by accident, when I was looking for DCF77 transmitters.  In my case, the clock eventually synchronized without any help (after a few days of letting it hanging untouched).  The need for a DCF77 transmitter disappeared, and didn't investigate how that speaker-transmitter works, or if it works.

Offline rteodor

  • Frequent Contributor
  • **
  • Posts: 351
  • Country: ro
Re: DCF77 transmitter
« Reply #19 on: October 14, 2025, 08:00:35 am »
I don't know, no idea how it is supposed to work.

Found that project some time ago, by accident, when I was looking for DCF77 transmitters.  In my case, the clock eventually synchronized without any help (after a few days of letting it hanging untouched).  The need for a DCF77 transmitter disappeared, and didn't investigate how that speaker-transmitter works, or if it works.

I had a thought. They do not work, at least they do not work as they are supposed to. I read somewhere that the biggest issue with this DCF77 receivers is the phase noise. They are very sensitive to it. Could it be that only those clicks from ASK are received and perceived as signal because of the high sensitivity to phase noise ?

 

Offline eliocor

  • Supporter
  • ****
  • Posts: 561
  • Country: it
    • rhodiatoce
Re: DCF77 transmitter
« Reply #20 on: October 14, 2025, 10:07:47 pm »
this Android app works flawlessly:
https://play.google.com/store/apps/details?id=jp.houryo.dcf77emulator

I also usually expand the working distance range with this antenna:
https://aliexpress.com/item/1005004884103037.html

mokyuu has also emulators for JJY & WWVB:
https://play.google.com/store/apps/developer?id=mokyuu&hl=en
 
The following users thanked this post: edavid


Share me

Digg  Facebook  SlashDot  Delicious  Technorati  Twitter  Google  Yahoo
Smf